Amphenol Wilcoxon LVEP-TO5 Embedded Accelerometers

Amphenol Wilcoxon LVEP-TO5 Embedded Accelerometers are high-performance, ultra-low power piezoelectric accelerometers. These accelerometers come in a TO-5 standard housing and offer easy integration into wireless vibration sensors and battery-powered applications. The LVEP-TO5 accelerometers are available in 50mV/g and 100mV/g versions with a ±5% sensitivity tolerance. With a 180μW power consumption, a 60μA current draw, and a quick 350µs settling time, these accelerometers draw less power than a MEMS sensor. These accelerometers capture the high- and low-frequency vibrations practitioners need for effective condition-based maintenance, like early bearing or gear fault detection.

The LVEP-TO5 embedded accelerometers use 95% less power per measurement than a traditional IEPE accelerometer but with no performance loss. The TO-5 package is hermetically sealed to prevent contamination and ensure a prolonged sensor lifetime. Typical uses include high-volume integrated applications, wireless vibration sensor applications, and other battery-powered and energy-harvesting applications.

Features

  • Ultra-low power consumption
  • Standardized TO5 semiconductor package
  • Matches the sensitivity, frequency response, and acceleration range of a full-size IEPE accelerometer
  • IP68 hermetic seal
  • Low noise
  • Small and lightweight

Applications

  • Wireless vibration sensor
  • Battery-powered and energy-harvesting applications
  • High-volume integrated applications
  • Built-in condition monitoring for motors, pumps, fans, compressors, and other rotating equipment

Specifications

  • Sensitivity:
    • LVEP050-TO5 at 50mV/g
    • LVEP100-TO5 at 100mV/g
  • ±5% sensitivity tolerance
  • 180μW ultra-low power consumption
  • 60μA very-low current draw
  • 350µs BOV settling time
  • 3VDC operating voltage
  • 17kHz resonance frequency
  • 700μg broadband noise
  • 8.4mm x 9.6mm size
  • 3.2g weight

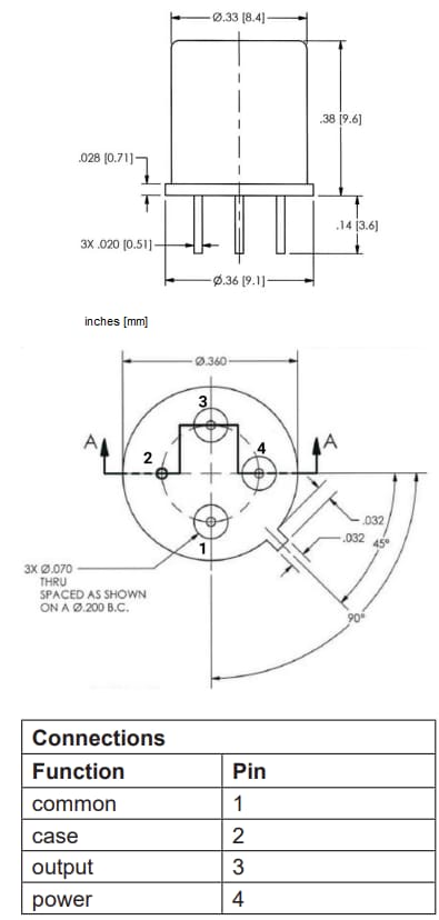
Dimensional Diagram

Mechanical Drawing - Amphenol Wilcoxon LVEP-TO5 Embedded Accelerometers

Videos

View Results ( 2 ) Page
N.º de artículo Hoja de datos Descripción
LVEP100-TO5 LVEP100-TO5 Hoja de datos Acelerómetros Embedded accelerometer; 100 mV/g sensitivity, +/- 5 tolerance; 180 W power consumption, 60 A very low current draw, operates down to 3 VDC; TO5 standard housing, .36" x .38", 304L stainless steel case; weighs 3.2 grams
LVEP050-TO5 LVEP050-TO5 Hoja de datos Acelerómetros Embedded accelerometer; 50 mV/g sensitivity, +/- 5 tolerance; 180 W power consumption, 60 A very low current draw, operates down to 3 VDC; TO5 standard housing, .36" x .38", 304L stainless steel case; weighs 3.2 grams
Publicado: 2023-07-26 | Actualizado: 2025-10-16