Analog Devices Inc. ADAQ4370-4 μModule® Data Acquisition Solution

Analog Devices Inc. ADAQ4370-4 μModule® Data Acquisition (DAQ) Solution is a quad-channel, 16-bit precision DAQ signal chain solution. This device reduces the development cycle of a precision measurement system by transferring the signal-chain design challenges of component selection from the designer to the device. The ADAQ4370-4 solution features an on-chip oversampling function, 0.01% typical gain error, 0.8ppm/°C typical gain drift, and a high-speed serial interface. Typical applications include lab-grade battery test systems, sonar, power quality monitoring, data acquisition systems, and motor control position feedback.

Features

  • Easy to use μModule® data acquisition system:
    • 11x footprint reduction vs. discrete solution
    • Integrated critical passive components
    • 5V single-supply operation
  • Guaranteed 16-bit, no missing codes
  • On-chip oversampling function
  • 2-bit resolution boost
  • Out-of-range indicator (ALERT)
  • INL: ±0.85 LSB typical, ±2 LSB maximum
  • SNR (typical):
    • 90.8dB at gain = 1.0, fIN = 1kHz
    • 97.5dB with OSR = ×8 at gain = 1.0, fIN = 1kHz
  • Channel-to-channel phase matching: 0.005° typical at fIN = 20kHz
  • Integrated high precision reference, 3ppm/°C typical drift
  • 0.01% typical gain error
  • 0.8ppm/°C typical gain drift
  • Integrated internal buffer with VCM generation
  • Integrated fully differential ADC driver with signal scaling:
    • Wide input common-mode voltage range
    • High common-mode rejection
  • Single-ended to differential conversion
  • Pin selectable input range with over range:
    • ±2V, ±3.3V, ±5.5V, ±11V input ranges
    • G = 0.3, 0.6, 1.0, and 1.6 gain/attenuation
  • High-speed serial interface
  • 8mm x 8mm, 0.8mm pitch, 81-ball CSP_BGA package

Applications

  • Lab-grade battery test system
  • Motor control current sense
  • Motor control position feedback
  • Sonar
  • Power quality monitoring
  • Data acquisition system
  • Erbium-Doped Fiber Amplifier (EDFA) applications
  • I and Q demodulation

Typical Application Diagram

Application Circuit Diagram - Analog Devices Inc. ADAQ4370-4 μModule® Data Acquisition Solution

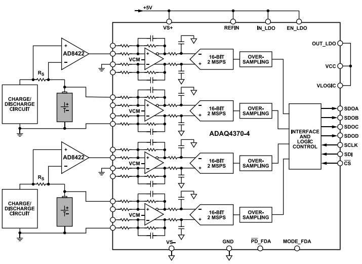
Block Diagram

Block Diagram - Analog Devices Inc. ADAQ4370-4 μModule® Data Acquisition Solution
Publicado: 2024-11-05 | Actualizado: 2025-03-14