Analog Devices Inc. ADRF5545A-EVALZ Evaluation Board

Analog Devices Inc. ADRF5545A-EVALZ Evaluation Board is designed to evaluate the features and performance of the ADRF5545A dual-channel integrated radio frequency (RF) front-end. The ADRF5545A front-end is a multichip device that consists of a high-power switch and a dual-stage low-noise amplifier on each channel. The ADRF5545A is ideally suited for time-division duplexing (TDD) wireless infrastructure applications. Analog Devices Inc. ADRF5545A-EVALZ Evaluation Board provides an easy way to test equipment.

Features

  • Full-featured evaluation board for ADRF5545A dual-channel integrated RF front-end
  • Easy connection to test equipment
  • Matching network for 2.6GHz and 3.6GHz
  • Through line for calibration
  • Ideal for TDD wireless infrastructure applications

Required Equipment

  • DC power supply
  • Signal generator
  • Spectrum analyzer
  • Network analyzer

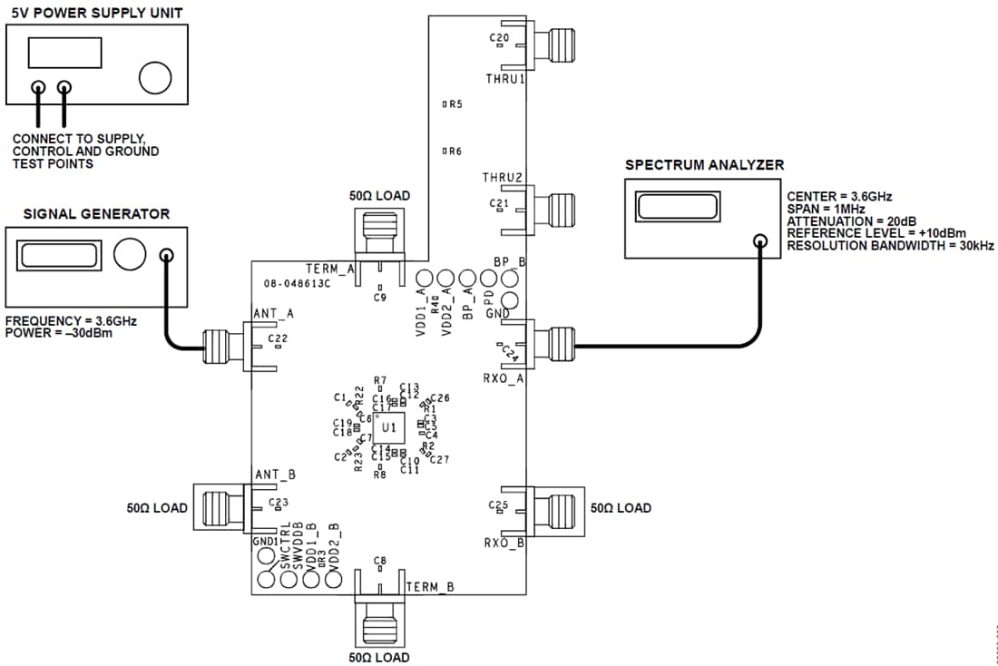
Test Setup

Chart - Analog Devices Inc. ADRF5545A-EVALZ Evaluation Board
Publicado: 2019-10-02 | Actualizado: 2024-03-04