Analog Devices Inc. EV-ADF4382A Evaluation Board
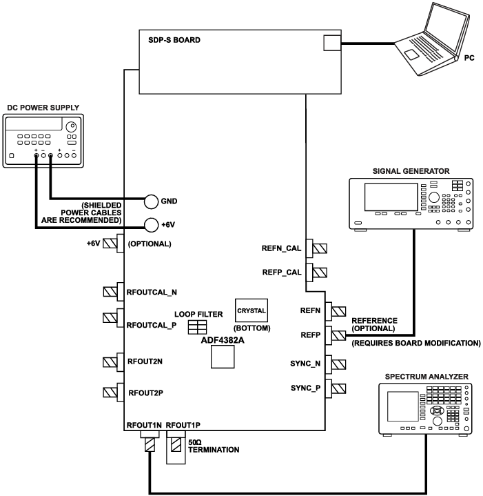
Analog Devices Inc. EV-ADF4382A Evaluation Board is designed to evaluate the ADF4382A frequency synthesizer with an integrated Voltage-Controlled Oscillator (VCO) for Phase-Locked Loops (PLLs). This board includes a USB™ interface, power supply connectors, onboard reference oscillator, propagation delay calibration paths, and Sub-Miniature Version A (SMA) connectors. The EV-ADF4382A evaluation board output is AC-coupled with 50Ω transmission lines, suitable for driving 50Ω impedance instruments. This evaluation board is ideal for test and measurement, high-performance data converter clocking, and wireless infrastructure (MC-GSM, 5G, and 6G).Features
- Self-contained evaluation board, including the ADF4382A frequency synthesizer with integrated VCO, loop filter, USB interface, onboard reference oscillator, propagation delay calibration paths, and voltage regulators
- Windows® based software allows control of synthesizer functions from a PC
- Externally powered by 6V
Applications
- High-performance data converter clocking
- Wireless infrastructure (MC-GSM, 5G, and 6G)
- Test and measurement
Required Equipment
- A Windows-based PC with USB™ port for the evaluation software
- A system demonstration platform, serial-only EVAL-SDP-CS1Z controller board (SDP-S)
- 6V power supply
- Spectrum analyzer or phase noise analyzer
- 50Ω terminators
- Low noise input reference (REFIN) source (optional)
Evaluation Board Setup Diagram
Publicado: 2024-02-05
| Actualizado: 2024-07-05
