Analog Devices Inc. HMC425A 6-Bit Digital Positive Control Attenuator
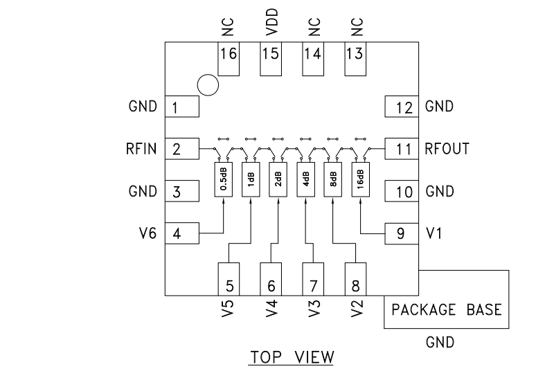
Analog Devices Inc. HMC425A is designed as a broadband 6-bit GaAs IC digital positive control attenuator. Operating from 2.2-8GHz, the HMC425A has a typical insertion loss of less than 4.5dB. The device features attenuator bit values of 0.5 (LSB), 1, 2, 4, 8, and 16dB for a total attenuation of 31.5dB. Analog Devices Inc. HMC425A achieves excellent attenuation accuracy with a ±0.5dB typical step error and an IIP3 of +40dBm. HMC425A’s six control voltage inputs toggle between 0 and +3 to +5V, and select each attenuation state.Features
- 0.5dB LSB steps to 31.5dB
- Single control line per bit
- ± 0.5dB typical bit error
- Single +5V supply
- 3mm x 3mm SMT package
Applications
- WLAN and point-to-multi-point
- Fiber optics and broadband telecom
- Microwave radio and VSAT
- Military
Functional Block Diagram
Publicado: 2017-07-25
| Actualizado: 2022-04-18
