Analog Devices Inc. LT6375 Voltage Difference Amplifiers
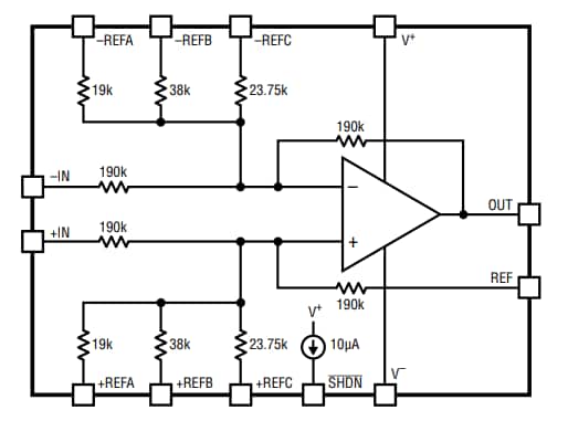
Analog Devices Inc. LT6375 Voltage Difference Amplifiers are unity-gain difference amplifiers that combine DC precision, high-input common mode range, and wide supply voltage range. These amplifiers include a precision op-amp with Over-The-Top® protected inputs that allow robust operation in environments with unpredictable conditions. The LT6375 amplifiers feature good common mode rejection ratio (CMRR), low gain error, highly-matched thin film resistor, and low gain drift. Typical applications include industrial data-acquisition front-ends, precision difference amplifiers, a replacement for isolation circuits, and high-voltage to low-voltage translation.Features
- ±270V common mode voltage range
- 97dB minimum CMRR (LT6375A)
- 0.0035% (35ppm) maximum gain error (LT6375A)
- 300µV maximum offset voltage (LT6375A)
- 1ppm/°C maximum gain error drift
- 2ppm maximum gain non-linearity
- 3.3V to 50V wide supply voltage range
- -40°C to 125°C specified temperature-range
- Rail-to-Rail output
- 350µA supply current
- Selectable internal resistor divider ratio
- 575kHz and -3dB bandwidth (resistor divider = 7)
- 375kHz and -3dB bandwidth (resistor divider = 20)
- 20μA low power shutdown (DFN package only)
- Space-saving MSOP and DFN packages
Applications
- Industrial data-acquisition front-ends
- Precision difference amplifier
- Bidirectional wide common mode range current sensing
- High side or low side current sensing
- Replacement for isolation circuits
- High voltage to low voltage level translation
Typical Application Circuit
Block Diagram
Publicado: 2018-10-04
| Actualizado: 2023-02-24
