Analog Devices Inc. LTC3355 Buck DC/DC with Integrated SCAP Chargers
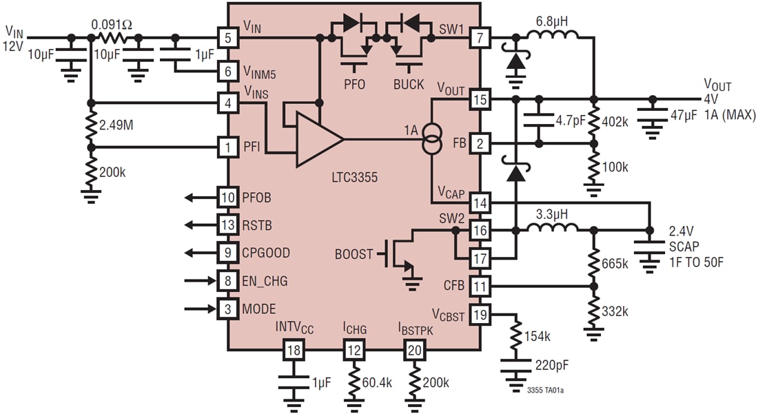
Analog Devices Inc. LTC3355 Buck DC/DC with Integrated SCAP Chargers are ideal input power interrupt DC/DC systems. The chargers deliver continuous load current to VOUT, meanwhile charging the supercapacitor. The devices provide 2.7V to 5V regulated output voltage from an input supply of up to 20V from the nonsynchronous constant frequency current mode monolithic 1A buck switching regulator. The die temperature is limited to 110°C, while the thermal regulation loop maximizes the charge current. The Analog Devices LTC3355 features include VIN programmable current limits, boost, and charger.Features
- 3V to 20V VIN voltage range
- 2.7V to 5V VOUT voltage range
- 1A current-mode buck main regulator
- 5A boost backup regulator powered from single supercapacitor
- Boost regulator operates down to 0.5V for maximum utilization of supercapacitor energy
- Programmable supercapacitor charge current to 1A with overvoltage protection
- Charger supports single-cell CC/CV battery charging
- Programmable VIN current limit
- Programmable boost current limit
- VIN Power Fail indicator
- VCAP Power Good indicator
- VOUT Power On reset output
- Compact 20-lead 4mm × 4mm QFN package
Applications
- Ride-through “Dying Gasp” supplies
- Power meters
- Industrial alarms
- Solid-state drives
Typical Application
Publicado: 2017-05-15
| Actualizado: 2022-03-29
