Analog Devices / Maxim Integrated MAX96793 CSI-2 to GMSL3/2 Serializers
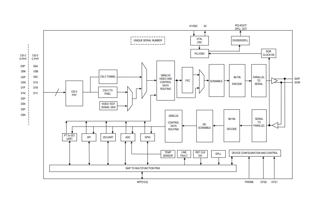
Analog Devices / Maxim Integrated MAX96793 CSI-2 to GMSL3/2 Serializers receive video on a MIPI CSI-2 interface and output it to a GMSL2 or GMSL3 serial link transceiver. These serializers send and receive bidirectional control channel data across the same GMSL link, and GMSL2/GMSL3 data can be transported over coaxial or STP cables. The GMSL2 links operate at a fixed rate of 3Gbps or 6Gbps in the forward direction and 187.5Mbps in the reverse direction. In comparison, the GMSL3 links operate at a fixed rate of 12Gbps in the forward direction. The MAX96793 serializers are programmed through a local I2C/UART interface or across the link from matching deserializers. These serializers feature two I2C/UART pass-through channels, flexible GPIO, SPI tunnel, a built-in ADC, temperature sensor, and a set of diagnostics for functional safety.
The MAX96793 serializers are AEC-Q100 grade 2 qualified and operate over the -40°C to 105°C temperature range. Typical applications include ADAS, which incorporate 8MP 60fps Forward Vision Camera (FVC) systems and forwarding of aggregated camera data, along with systems featuring multiple synchronized cameras.
Features
- Automotive-grade high-speed link:
- -18db maximum insertion loss at 3GHz (12Gbps)
- -21.0dB maximum insertion loss at 3GHz (6Gbps)
- -19.5dB maximum insertion loss at 1.5GHz (3Gbps)
- Auto-adapt for changes in channel conditions
- Operates at -40°C to 105°C ambient temperature range
- MIPI CSI-2 v1.3 input port:
- MIPI D-PHY v1.2 rated at 2.5Gbps/lane (up to 4lanes)
- MIPI C-PHY v1.0 rated at 3.42Gbps/lane (up to 2lanes)
- Polarity flip and data lane reassignment
- Supports 16 virtual channels
- Single GMSL3 output:
- 12Gbps GMSL3 forward link rate
- GMSL2 backward compatible 6Gbps / 3Gbps link-rates
- 187.5Mbps reverse link rate
- Bidirectional control-channel supports:
- 11x configurable GPIO
- 1x I2C/UART port up to 1MHz
- 2x pass-through ports:
- Up to 2M baud as UART
- Up to 1Mb/s as I2C
- 1x SPI port, up to 25MHz
- Reduce BOM and space savings:
- Tiny 5x5mm TQFN
- RoR for crystal-free operation on serializers
- Onboard temperature monitoring with ±2.5°C accuracy
- Safety ready:
- ASIL-B compliant
- ASIL-D decomposition compliant
Applications
- Advanced Driver Assistance Systems (ADAS):
- 8MP 60fps Forward Vision Camera (FVC) systems
- Forwarding of aggregated camera data
- Systems with multiple synchronized cameras
Block Diagram
Simplified Application Circuit
