Analog Devices Inc. MAX20057 36V Boost Controller

Analog Devices Inc. MAX20057 36V Boost Controller is a highly integrated triple output PMIC designed for automotive applications. The MAX20057 includes two synchronous buck converters and an asynchronous boost controller with 2.1MHz and 400kHz options. The boost controller can provide power to buck converters and keep them in regulation during cold-crank operation down to 2V battery input. The IC operates with an input voltage supply from 3.5V to 36V and can work in dropout conditions by running at 95% duty cycle.

ADI MAX20057 36V Boost Controller offers high switching frequency up to 2.1MHz and allows small external components, reduced output ripple, and guarantees no AM band interference. Protection features include cycle-by-cycle current limit and thermal shutdown. The MAX20057 Boost Controller is specified for operation over the -40°C to +125°C automotive temperature range.

Features

  • Meets stringent OEM module power consumption and performance specifications
    • 10μA supply current with 5V buck on
    • 8μA supply current with 3.3V buck on
    • 30μA supply current with all regulators on
  • Enables crank-ready designs
    • Output voltages in regulation through cold crank down to 2V battery voltage
    • Wide 3.5V to 36V input supply range
  • EMI reduction features reduce interference with sensitive radio bands without sacrificing the wide input voltage range
    • 20ns (typ) minimum on-time guarantees skip-free operation for 3.3V output at 2.1MHz
    • Spread-spectrum option
    • Phase-locked loop (PLL) frequency synchronization
  • Integration and thermally enhanced packages save board space and cost
    • Two 2.1MHz buck converters with an asynchronous boost controller
    • Current-mode controller with forced fixed frequency and skip modes
    • Thermally enhanced 5mm x 5mm, 28-pin TQFN EP package
  • Protection features improve system reliability
    • Supply undervoltage lockout
    • Overtemperature and short-circuit protection

Applications

  • Automotive start-stop systems
  • Instrument clusters
  • Distributed DC power systems
  • Navigation and radio head units

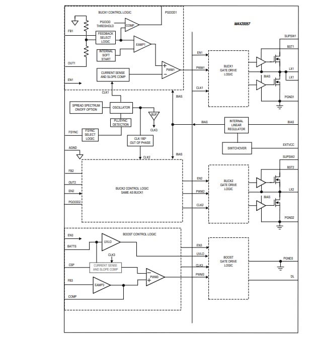
Block Diagram

Block Diagram - Analog Devices Inc. MAX20057 36V Boost Controller
Publicado: 2020-12-23 | Actualizado: 2024-08-12