Analog Devices / Maxim Integrated MAXM22510 / MAXM22511 Transceiver Modules
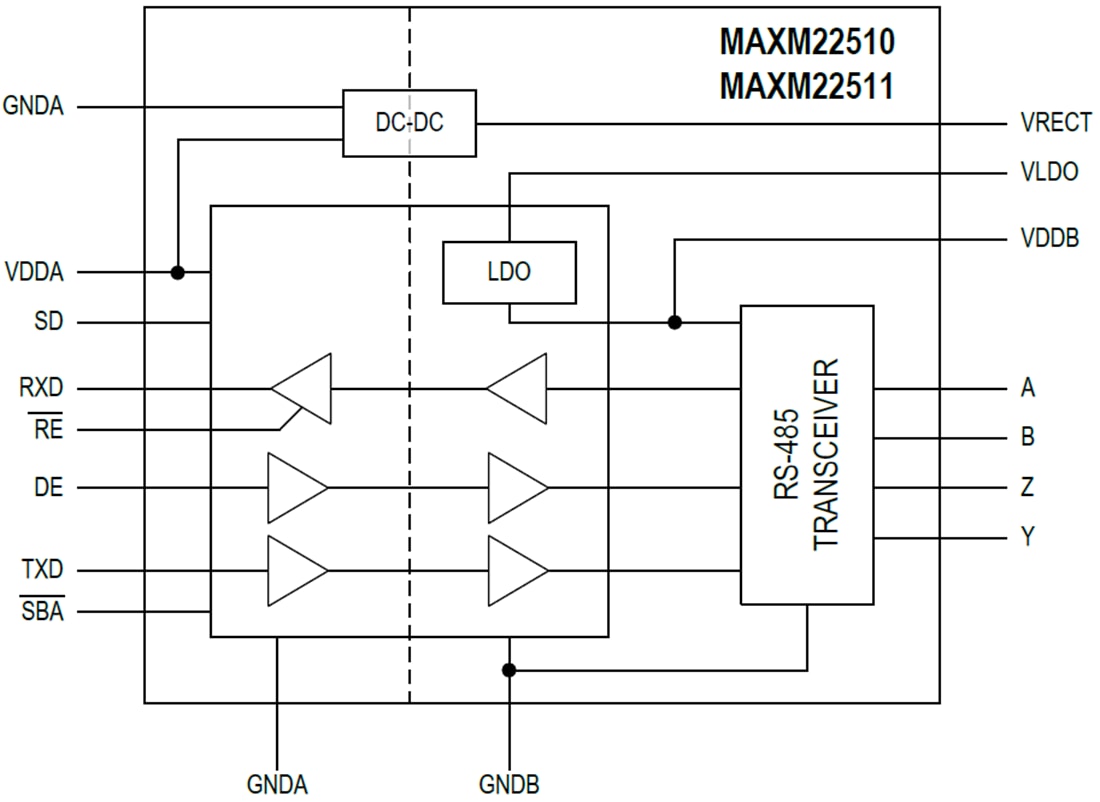
Analog Devices MAXM22510 / MAXM22511 RS-485/RS-422 Transceiver Modules provide 2500VRMS (60s) of galvanic isolation between the cable-side (RS-485/RS-422 driver/receiver side) and the UART-side of the device. An integrated DC-DC converter powers the cable side of the module. No external components are required for the Analog Devices MAXM22510 / MAXM22511. Isolation improves communication by breaking ground loops and reduces noise when there are significant differences in ground potential between ports. These devices allow for robust communication up to 500kpbs (MAXM22510) and 25Mbps (MAXM22511).Features
- Space saving solution
- Fully integrated module for compact design
- A high-performance transceiver enables flexible designs
- Integrated DC-DC converter for cable-side power
- Compliant with RS-485 EIA/TIA-485 standard
- 500kpbs maximum data rate for the MAXM22510
- 25Mbps maximum data rate for the MAXM22511
- Allows up to 128 devices on the bus
- Safety regulatory approvals
- UL, according to UL1577
- cUL, according to CSA Bulletin 5A
- Integrated protection ensures robust communication
- ±35kV ESD (HBM) on driver outputs/receiver inputs
- 2.5kVRMS withstand isolation voltage for 60 seconds (VISO)
- 630VPEAK maximum Repetitive Peak-Isolation Voltage (VIORM)
- 445VRMS maximum Working-Isolation Voltage (VIOWM)
- Withstands ±10kV surge per IEC 61000-4-5
- Thermal shutdown
Applications
- Industrial automation
- Programmable Logic Controllers
- HVAC
- Power meters
- Building automation
Functional Diagram
Publicado: 2018-10-10
| Actualizado: 2023-04-24
