Apacer Technology Inc. SV25P-CFast Flash Memory Cards
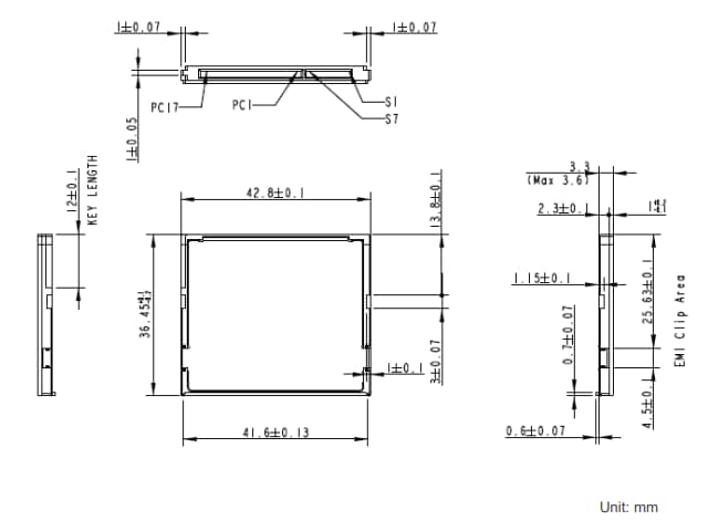
Apacer Technology Inc. SV25P-CFast Flash Memory Cards are designed without DRAM on the internal controlling unit. These memory cards utilize 3D NAND for a higher capacity of up to 960GB and deliver better power efficiency than 2D NAND. The SV25P-CFast cards come with a STATA 6Gb/s interface and include a SATA-based 7-pin signal segment. These memory cards consist of end-to-end data protection that ensures data integrity at multiple points in the path to allow reliable data transfers. The SV25P-CFast cards implement intelligent flash management algorithms to guarantee the reliability of applications in harsh environments. These memory cards also implement a Low-Density Parity Check (LDPC) ECC engine to extend SSD.The SV25P-CFast cards deliver exceptional performance with data transfer rates up to 560MB/s in sequential read access and 69,000IOPS in 4KB random write purposes. These memory cards operate at a 3.3.V supply voltage and from -40°C to 85°C temperature range. The SV25P-CFast cards are RoHS compliant and are available in 42.80mm x 36.45mm x 3.60mm dimensions.
Features
- Compliance with SATA revision 3.2:
- SATA 6Gb/s interface
- Backward compatible with SATA 1.5Gb/s and 3Gb/s interfaces
- ATA-8 command set
- Flash management:
- Low-Density Parity Check (LDPC) code
- Global wear leveling
- Flash bad-block management
- Page mapping flash translation layer
- Self-Monitoring, Analysis, and Reporting Technology (S.M.A.R.T.)
- Device sleep
- ATA secure erase
- TRIM
- Hyper cache technology
- Over-provisioning
- DataRAID™
- SMART read refresh™
- 7-pin + 17-pin female connector type
- MTBF: >3,000,000 hours
- Performance:
- 600MB/s burst read/write
- Up to 560MB/s sequential read
- Up to 495MB/s sequential write
- Up to 55,000IOPS random read (4K)
- Up to 69,000IOPS random write (4K)
- Endurance (Drive Writes Per Day (DWPD)):
- 120GB: 2.12DWPD
- 240GB: 2.13DWPD
- 480GB: 2DWPD
- 960GB: 1.3DWPD
- AES 256-bit hardware encryption
- Write protect switch (optional)
- RoHS compliant
Specifications
- 0°C to 70°C standard operating temperature range
- -40°C to 85°C wide operating temperature range
- -55°C to 100°C storage temperature range
- Power consumption:
- 385mA maximum in active mode
- 75mA in idle mode
- 3.3V supply voltage
- Form factor:
- CFast
- 42.80mm x 36.45mm x 3.60mm dimensions
- 9.25g ±5% net weight
Functional Block Diagram
Mechanical Diagram
Publicado: 2023-05-30
| Actualizado: 2023-06-12
