Azoteq IQS7221E ProxFusion® Sensor IC

Azoteq IQS7221E ProxFusion® Sensor IC is a fusion device with an on-axis orientation designed for rotation and angle sensing applications. This sensor IC includes a ProxFusion channel for integrated UI applications, quadrature output to replace product drop-in, and virtual freewheel UI for more intuitive scrolling. The IQS7221E sensor IC operates from a 2V to 3.5V voltage range. This sensor IC is available in WLCSP18 (1.62mm x 1.62mm x 0.5mm) and QFN20 (3mm x 3mm x 0.5mm) packages. Typical applications include scroll wheels for computer peripherals, mechanical and optical rotary encoder replacements, adjustable knobs, mouse wheels, and motor encoders.

Features

  • Highly flexible ProxFusion® device
  • Hall effect angle sensor:
    • 4 Hall plates
    • Supports on-axis orientation
    • 16-bit absolute angle output
    • <1° resolution, calculated on-chip
    • Relative/absolute rotation angle
    • Detect movement and the direction of movement
    • Wide operational range
    • Automatic Tuning Implementation (ATI)
    • Automatic synchronization with mechanical ratchets
  • ProxFusion® channel:
    • Supports one self-capacitive or mutual-capacitive sensor
    • Ultra-low power wake-up on touch
    • Full Auto-Tuning Implementation (ATI) with adjustable sensitivity
  • Sensor flexibility:
    • Internal voltage regulator
    • No external components are required for Hall measurements
    • I2C interface with IRQ line
  • Design simplicity and support:
    • PC software for debugging and configuring for optimal performance
    • Magnet and mechanical constraints, guidelines, and best practices
  • Multiple integrated UIs:
    • Proximity and touch events on the ProxFusion® channel
    • Proximity wake-up from ultra-low power mode
    • Hysteresis interval mode
    • Event modes with configurable angle-change, interval, or touch /prox events
    • Quadrature standalone output for Hall measurements
    • Virtual freewheel UI
  • 2V to 3.5V supply voltage range
  • Small packages:
    • WLCSP18 (1.62mm x 1.62mm x 0.5mm), interleaved 0.4mm × 0.6mm ball pitch
    • QFN20 (3mm x 3mm x 0.5mm), 0.4 mm pitch

Applications

  • Scroll-wheels for computer peripherals
  • Mouse wheels
  • Applications requiring flexible UI options with sensor fusion
  • Mechanical and optical rotary encoder replacements
  • Adjustment and control knobs
  • Motor encoders

Block Diagram

Block Diagram - Azoteq IQS7221E ProxFusion® Sensor IC

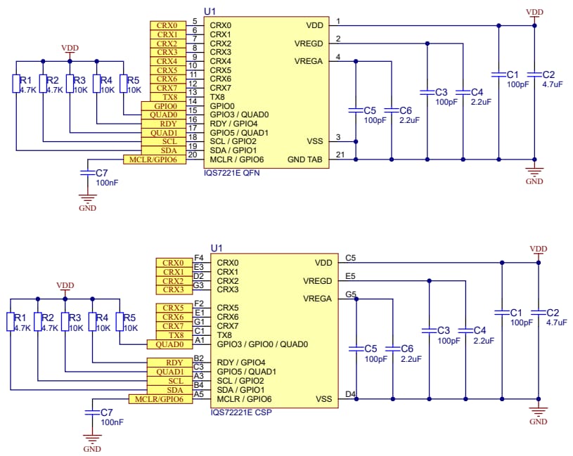
IQS7221E QFN and IQS7221E CSP Schematic Representation

Schematic - Azoteq IQS7221E ProxFusion® Sensor IC

Videos

Publicado: 2024-02-06 | Actualizado: 2024-05-23