Bourns 3312 Trimpot® Trimming Potentiometers
Bourns 3312 Trimpot® Trimming Potentiometers are 2mm sealed single-turn trimming potentiometers. These potentiometers feature a 10Ω to 2MΩ standard resistance range, ±20% standard resistance tolerance, 25 rotational cycles, 100ppm/°C temperature coefficient, and miniature design for flexibility. The 3312 trimming potentiometers are RoHS compliant and compatible with the surface mount manufacturing process. These potentiometers are used in hearing aids, laser diodes, barcode scanners, encoders, CCTVs, and ultrasonic detectors.Features
- Surface mount 2mm sealed single-turn
- Miniature design for flexibility
- 0Ω to 2MΩ standard resistance range
- ±20% standard resistance tolerance
- 25 rotational cycles
- 100ppm/°C temperature coefficient
- Power rating (50V maximum voltage):
- 0.1W @70°C
- 0W @125°C
- Adjustability:
- ±0.4% for voltage divider
- ±0.8% for rheostat
- -55°C to 125°C operating temperature range
Applications
- Hearing aids
- Bar code scanners
- CCTVs
- Sensors (distance and displacement)
- Laser diodes
- Proximity switches (inductive, ultrasonic, and magnetic)
- Encoders (optical, absolute, rotary, and photoelectric)
- Ultrasonic detectors
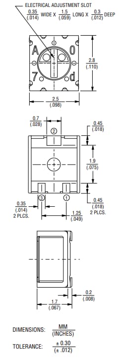
Product Dimensions
Additional Resources
Publicado: 2024-04-29
| Actualizado: 2024-05-31
