CML Micro EV90A006 Evaluation Board

CML Micro EV90A006 Evaluation Board is designed to assess the features of the CMX90A006 2-Stage Linear RF Power Amplifier. The CMX90A006 RF power amplifier delivers +33dBm of output power at 1dB gain compression over the 860MHz to 930MHz frequency range, applicable to license-free bands. Operating over a wide 2.5V to 5.25V supply voltage range enables system-level optimization, suitable for single-cell Lithium batteries.

Features

  • PCB consists of four-layer FR-4 with a total thickness of 1.592mm
  • EV90A006 PCB measures 50mm x 50mm
  • Microstrip RF input and output width is 0.38mm

Applications

  • UHF RFID readers
  • Smart meters (e.g. AMR/AMI)
  • Asset tracking
  • Wireless modules
  • IoT/M2M
  • SRD/ISM bands (868MHz/915MHz)
  • Lithium battery-powered systems

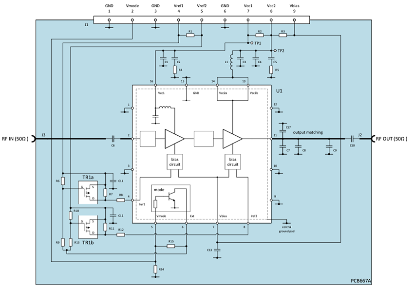
Schematic

Schematic - CML Micro EV90A006 Evaluation Board
Publicado: 2024-09-24 | Actualizado: 2024-09-24