Coilcraft PoE120PL 120W Planar Transformers
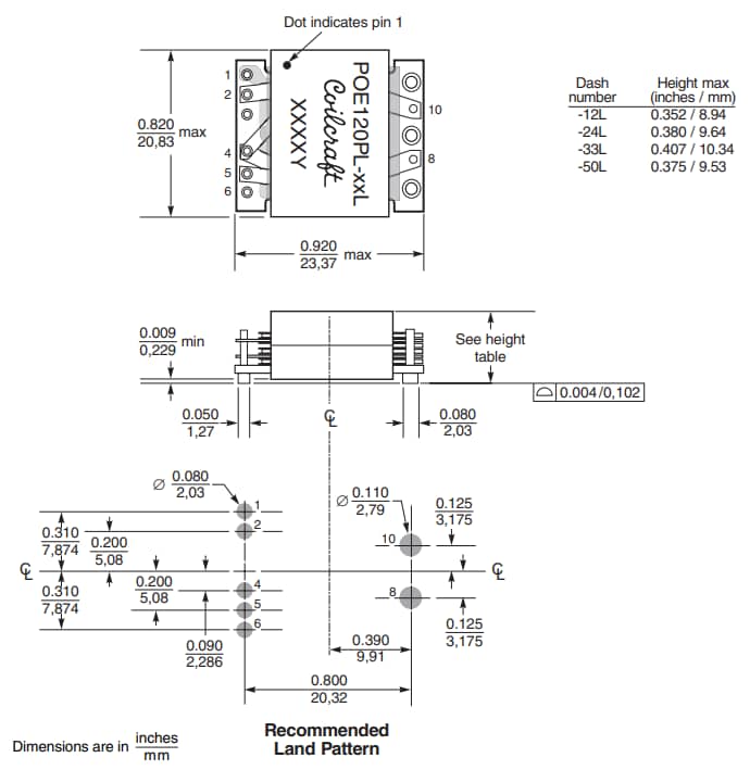
Coilcraft PoE120PL 120W Planar Transformers are designed for active clamp forward topology. These ferrite core transformers feature high efficiency, good direct current resistance (DCR), and low leakage inductance. Coilcraft PoE120PL 120W Planar Transformers operate at a 200kHz frequency and 36V to 72V input voltage range. The modules provide 0.009" clearance above the seating plane and include a 12V auxiliary winding.Features
- Designed for active clamp forward topology
- High efficiency
- Good DCR
- Low leakage inductance
- Includes a 12V auxiliary winding
- Ferrite core material
Specifications
- Operates at 200kHz frequency
- 36V to 72V input voltage range
- 0.009" clearance above the seating plane
- 11.1g to 11.9g weight
- Moisture sensitivity level (MSL) 1
- -40°C to +125°C ambient temperature range
Mechanical Drawing
Publicado: 2019-09-09
| Actualizado: 2023-08-08
