DFRobot CM65 QR & Barcode Scanner Module

DFRobot CM65 QR and Barcode Scanner Module is used to accurately read barcodes or QR codes at high speed (about 1s) in poorly lit environments. It uses an intelligent image recognition algorithm to decode common 1D and 2D codes easily. The onboard micro USB and UART interface can be directly plugged into a computer or integrated into various devices. The module is configurable via scanning "configuration mode" to meet strict scanning requirements. It has an onboard light source to work in the dark and provide consistent scanning performance in extreme temperatures. This module is easily embedded into multi-medium barcode scanning equipment, including self-service vending machines, subway gate machines, access control, and payment machines.

Specifications

  • CMOS optical system
  • 617nm LED capture light source
  • 6500K LED lighting source
  • 34° (horizontal), 26° (vertical) scanning angle
  • 30% minimum contrast
  • 648 x 488 resolution
  • DC 5V voltage
  • 0~86000lux ambient light
  • White light source
  • USB, UART interface
  • Codebar, Code 11, Code 39/Code 93, UPC/EAN, Code 128/EAN128, Interleaved 2 of 5, Matrix 2 of 5, MSI Code, Industrial 2 of 5, GS1 Databar (RSS) 1D codes supported
  • QR code, Data Matrix, PDF417 2D codes supported
  • 0°C to +50°C operating temperature range
  • -40°C to +70°C storage temperature range
  • 10% to 80% operating humidity
  • Roll 360°; pitch ±60°; skew ±65° scan angles  
  • 120mA (scanning), 30mA (standby) current

Applications

  • Multi-medium barcode scanning equipment
    • Self-service vending machines
    • Subway gate machines
    • Access control
    • Payment machines

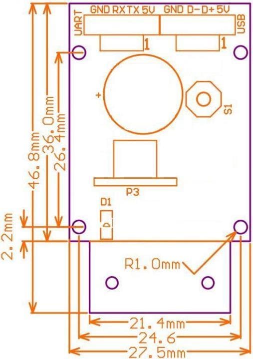
Dimensions

DFRobot CM65 QR & Barcode Scanner Module
Publicado: 2020-06-17 | Actualizado: 2024-06-18