Diodes Incorporated AL58263 Grayscale PWM Dimming LED Driver
Diodes Incorporated AL58263 Grayscale PWM Dimming LED Driver offers a 16-channel, constant-current, grayscale Adaptive Pulse Density Modulation (APDM). The APDM technology abates the non-ideal IOUT distortion due to non-symmetric transient responses and enhances the refresh rate by efficiently separating the frame waveform. The AL58263 supports error diagnostics, current gain control, and power-saving functionality.The Diodes Inc AL58263 operates over a 3V to 5.5V input voltage range, 15V output channel voltage, and fast 25MHz DCK input. The device supplies up to 55mA of high-accuracy current to each LED string. Each channel’s current output can be programmable individually through a digital interface. One external sensing resistor and a 6-bit global current control register can set all channels' output current.
The AL58263 has built-in diagnostics and LED open/short protection, including error detection. These error results are stored in a register for the MCU to read out.
The AL58263 is engineered in a TSSOP-24EP (Type A1-B) package and is specified for use in the -40°C to +85°C ambient temperature range.
Features
- Input voltage VDD of 3V to 5.5V
- Output current range
- 2mA to 55mA/5V, 2mA to 35mA/3.3V
- ±0.1% output current regulation capability
- 6-bit global current control from 12.5% to 200%
- 16 constant-current sink output channel
- 16-bit grayscale resolution with adaptive pulse
- Density modulation control
- 15V-rated output channels for long LED strings
- Fast transient response - supports external grayscale clock with a double edge up to 16MHz
- ±1.5% (typ.) LED Current accuracy between channels
- ±3% (typ.) LED Current accuracy between chips
- Non-scramble waveform for high-power LED application
- Grayscale counter reset selection
- Grayscale data synchronization selection
- Totally lead-free and fully RoHS compliant
- Halogen and antimony-free “Green” device
- Diagnosis and protections
- Error detection includes LED open, LED short, output port leakage, output short-to-GND, output short-to-power, and REXT short-to-GND
- Error detection LEDs on at 0.1mA to avoid any flickering
- Short detection threshold voltage selection (2V/3V/4V/4.5V)
- Sleep and 0-data mode to lower the supply current
- Pre-overtemperature warning
- 4-Wire serial interface (LAT, DI, DO, DCK)
- 25MHz clock frequency for data transfer
- EMI reduction grayscale clock
- Cascaded capability (Max 1,440 devices)
- External GCK watchdog
- Stagger outputs delay for EMI reduction
Applications
- Indoor and outdoor LED video displays
- Variable message signs (VMS)
- Traffic signs
- Outdoor billboard signage
- LCD backlighting
Specifications
- Not AEC qualified
- Standard compliance (only automotive supports PPAP)
- Linear LED driver topology
- 3V minimum supply voltage
- 5.5V maximum supply voltage
- 15V maximum VOUT
- 16 number of channels
- 55mA output current
- 55mA channel max. output current
- 1.5% accuracy
- PWM dimming by internal register 16-bit
- -40°C to 85°C temperature range
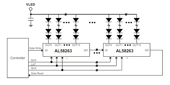
Application Schematic
Publicado: 2024-04-30
| Actualizado: 2024-05-14
