ROHM Semiconductor RB-D62Q2504TB32 Reference Board

ROHM Semiconductor RB-D62Q2504TB32 Reference Board is a versatile development platform powered by the LAPIS ML62Q2504 CMOS 16-bit RISC microcontroller. Designed to facilitate prototyping and evaluation, this board supports a wide range of applications, including consumer electronics, industrial equipment, smart appliances, and auxiliary automotive systems. The ML62Q2504 MCU features efficient processing, low power consumption, and robust peripheral integration, making it ideal for the Internet of Things (IoT) and embedded system development.

The board is compatible with the ROHM Semiconductor LEXIDE-U16 development tools and streamlines coding, debugging, and optimization processes. The RB-D62Q2504TB32 is a powerful tool for creating innovative solutions in everyday technology and industrial settings.

Features

  • Provided with the LAPIS ML62Q2504 CMOS 16-bit RISC MCU, 32-pin TQFP
  • Mounted with the linked connector to EASE1000 V2
  • Through-holes for connecting the pins of LSI to external peripheral boards
  • Selectable power supply, supplied from the on-chip emulator EASE1000 V2 or CN1_3pin
  • Mounted 32.768KHz crystal
  • Mounted LEDs (P20, P21, P22)
  • Foot pattern with components for Successive Approximation Type A/D Converter is available (P30, P31, P32, P33)
  • Low power consumption
  • Internal flash memory and RAM
  • Flexible I/O and communication interfaces
  • Real-time processing
  • 1.8V to 5.5V operating supply range
  • Compact form factor, 56mm x 94mm x 15mm (WxDxH) size

Applications

  • Consumer electronics
  • Industrial equipment
  • Automotive systems
  • Medical devices
  • Smart appliances

Overview

Location Circuit - ROHM Semiconductor RB-D62Q2504TB32 Reference Board

Power Circuit

Location Circuit - ROHM Semiconductor RB-D62Q2504TB32 Reference Board

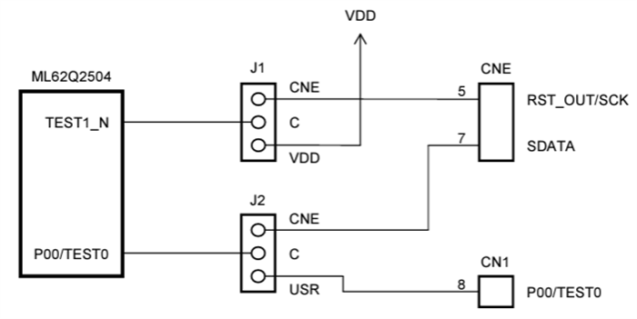
EASE1000 V2 Interface

Location Circuit - ROHM Semiconductor RB-D62Q2504TB32 Reference Board

PCB Layout

Mechanical Drawing - ROHM Semiconductor RB-D62Q2504TB32 Reference Board
Publicado: 2024-12-30 | Actualizado: 2025-01-07