iC-Haus MB3U-I2C BiSS(SSI) & I2C-to-PC Adapter

iC-Haus MB3U-I2C BiSS(SSI) and I2C-to-PC Adapter enables a simple evaluation of ICs using the corresponding evaluation board and GUI software. This adapter provides differential, galvanically isolated RS422 master interfaces for BiSS and SSI through its 9-pin D-sub connector. The MB3U-I2C adapter features a single-ended master interface for SPI, I2C, and 2-wire via its 2x5-pin connector. This adapter is compatible with USB 2.0 and provides drivers for Windows 10, Windows 11, and Linux operating systems. The MB3U-I2C adapter is ideal for application development and debugging using iC-Haus components.

Features

  • Simple evaluation and implementation of iC-Haus components
  • BiSS/SSI interface (9-pin D-sub connector)
  • SPI/I2C/2-wire interface (2x5-pin connector)
  • 5V and 12V sensor supply voltage
  • 10MHz (BiSS), 4MHz (SSI), 6MHz (SPI), and 100kHz (I2C) fast communication
  • USB 2.0 compatible PC interface
  • Plastic case, field interfaces, and powered via USB field-capable design

Applications

  • Application development
  • Debugging using iC-Haus components

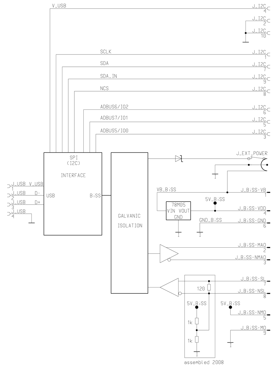
Schematic Diagram

Schematic - iC-Haus MB3U-I2C BiSS(SSI) & I2C-to-PC Adapter

iC-MB3 iCSY MB3U-I2C

iC-Haus MB3U-I2C BiSS(SSI) & I2C-to-PC Adapter
Publicado: 2025-11-21 | Actualizado: 2026-01-21