Infineon Technologies EiceDRIVER™ 1200V High-Side & Low-Side Drivers
Infineon Technologies EiceDRIVER™ 1200V High-Side and Low-Side Drivers are half-bridge gate drivers with active miller clamp and short circuit clamp. These gate drivers control IGBT or SiC MOSFET power devices with 1200V maximum blocking voltage. Based on the SOI technology, these drivers provide excellent ruggedness on transient voltages. The EiceDRIVER™ 1200V gate driver's robust design protects against parasitic latch-up across the operating temperature and voltage range. These drivers are suitable for ceiling fan motor control and drive solutions, Heating Ventilation and Air Conditioning (HVAC), industrial motor drives and controls, and residential heat pumps.Features
- Unique thin-film Silicon On Insulator (SOI) technology
- Floating channel designed for bootstrap operation
- 1225V maximum bootstrap voltage (VB node)
- Up to 1200V operating voltages (VS node)
- 100V negative VS transient voltage immunity
- With repetitive 700ns pulses
- 2.3A/2.3A peak output source/sink current capability
- Integrated ultra-fast Over-Current Protection (OCP)
- ±5% high accuracy reference threshold
- Less than 1µs over-current sense to output shutdown
- Integrated Active Miller Clamp (AMC) with 2A sink current capability
- Integrated Short Circuit Clamp (SCC) function
- Integrated ultra-fast and low-resistance bootstrap diode
- Integrated dead-time and shoot-through prevention logic (2ED1324S12P)
- Enable, fault, and programmable fault clear RFE input
- Logic operational up to -8V on VS pin
- Independent per channel Undervoltage Lockout (UVLO)
- 25V VCC maximum supply voltage
- Separate Logic (VSS) and output ground (COM)
- Greater than 5mm clearance/creepage
- 2kV HBM ESD capability
Specifications
- VS_OFFSET = 1200V maximum
- Io+ / Io- = 2.3A/2.3A peak
- VCC = 13V to 20V typical
- Propagation delay = 500ns typical
- Dead-time = 380ns typical
Applications
- Ceiling fan motor control and drive solutions
- Heating Ventilation and Air Conditioning (HVAC)
- Industrial motor drives and controls
- Residential heat pumps
Typical Application Circuit Diagram
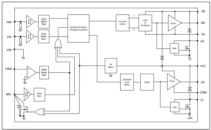
2ED1324S12P Block Diagram
Additional Resource
Publicado: 2023-05-16
| Actualizado: 2024-12-06
