Infineon Technologies 1700V Fourpack IGBT Modules
Infineon Technologies 1700V Fourpack IGBT Modules are Insulated-Gate Bipolar Transistor modules based on Trench/Fieldstop IGBT4 technology. The 1700V Fourpack IGBT Modules feature a soft recovery emitter-controlled diode to minimize turn-on losses. These devices also include an integrated Negative Temperature Coefficient (NTC) thermistor for enhanced thermal performance.The Infineon Technologies 1700V Fourpack IGBT Modules are offered in EconoPACK™3 and EconoDual™3 packages with an isolated base plate for optimized heat spread.
Features
- Integrated NCT temperature sensor
- Collector-emitter saturation voltage (VCEsat) with a positive temperature coefficient
- Isolated base plate
- Solder and PressFIT contact technology options
- 1700V collector-emitter voltage (VCES)
- High DC stability
- High short-circuit capability
- -40°C to +150°C operating junction temperature range (Tvjop)
Applications
- Industrial heating and welding
- Motor control and drives
- Traction
- High-power converters
- Medium voltage converters
- Windturbines
Datasheets
- EconoPACK 3 Package
- F4-100R17N3E4 1700V, 100A
- F4-150R17N3P4 1700V, 150A
- F4-200R17N3E4 1700V, 200A
- EconoDUAL 3 Package
- F4-100R17ME4_B11 1700V, 100A
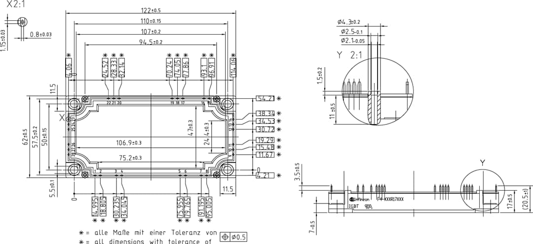
EconoDUAL 3 Package Outline
EconoPACK 3 Package Outline
Publicado: 2021-07-16
| Actualizado: 2023-09-05
