Infineon Technologies VCSEL Laser Diodes Driver ICs

Infineon VCSEL REAL3™ Laser Diode Driver ICs are cost-effective, small-footprint ICs for Time-of-Flight (ToF) image sensors for fast-switching laser diodes or LEDs. They allow highly efficient conversion from electrical to optical power. The Infineon VCSEL Laser Diode Driver ICs are part of the REAL3 iToF image sensor family, but can also be used for LDS (laser distance sensors), or LiDar systems. AEC-Q100 Grade 2 version is available with support for high modulation frequencies for automotive-grade applications.

Features

  • Consumer Applications
    • Fast-switching
    • LVDS input monitoring
    • Thermal shut-down
    • Low supply voltage
  • Automotive version
    • Up to 10A laser current
    • Up to 14V laser voltage
    • <1ns rise and fall times
    • 130MHz modulation frequency

Applications

  • Consumer Applications:
    • Indirect Time-of-Flight cameras and systems
    • LDS (Laser Distance Sensor) systems
    • LiDar systems
    • Mobile devices
    • Robotics
    • Smart home cameras and security
  • Automotive version:
    • In-cabin sensing
    • Gesture control
    • Occupant detection and classification
    • Driver monitoring systems (DMS)
    • Secure face authentication

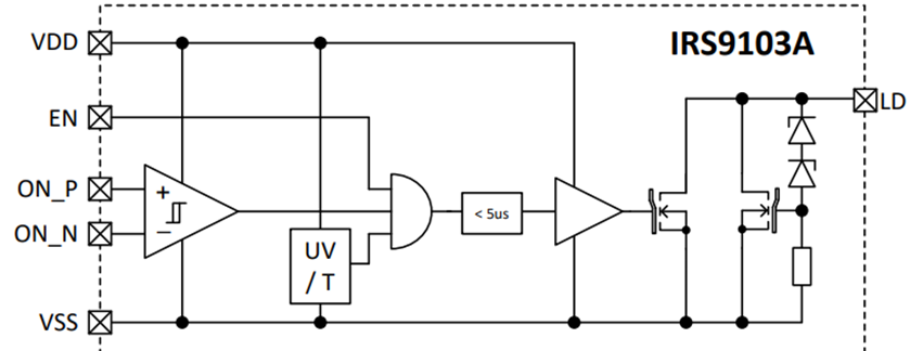
Block Diagram

Block Diagram - Infineon Technologies VCSEL Laser Diodes Driver ICs

Automotive Version Block Diagram

Block Diagram - Infineon Technologies VCSEL Laser Diodes Driver ICs
View Results ( 3 ) Page
N.º de artículo Hoja de datos Descripción
IRS9102CXTSA1 IRS9102CXTSA1 Hoja de datos Controladores láser Laser Driver for VCSELs and LEDs
IRS9103AXTSA1 IRS9103AXTSA1 Hoja de datos Controladores láser REAL3 Laser diode driver for automotive
IRS9100CXTSA1 IRS9100CXTSA1 Hoja de datos Controladores láser 3DI
Publicado: 2025-09-30 | Actualizado: 2025-10-15