Littelfuse SB5000 Industrial Shock Block
Littelfuse SB5000 Industrial Shock Block is designed for three-phase voltages from 208V to 600V with a maximum full-load current of either 32A or 60A. The power system can be either solidly or high-resistance grounded and the load must be three-phase without a neutral. The standard enclosure for Littelfuse SB5000 Industrial Shock Block is IP69K/NEMA 4X and outdoor rated, suitable for all industrial environments including high-temperature washdown used in food production. This personnel protection device is designed to meet the requirements for special-purpose GFCIs defined by UL 943C. SB5000 Industrial Shock Block includes DFT harmonic filtering and an automatic self-test feature. SB5000 is compliant with the UL 1998 Software in Programmable Components standard.Features
- UL 943 inverse time trip curve protects users while also reducing the probability of nuisance tripping
- DFT filtering algorithm eliminates nuisance trips due to harmonics
- <20ms minimum trip time
- Fixed 6mA (UL 943) or 20mA (UL 943C) trip level
- Selectable trip levels (EGFPD)
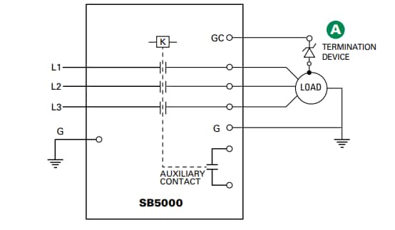
- Two-stage ground monitor with Zener termination that meets UL 943C, CSA M421
- Flexible configuration
- Conformal coating
- Auxiliary contact
- Automatic self-test
- GFCI Class A, C, D, and EGFPD options in one series
Specifications
- 208V, 480V, or 600V voltage rating
- 32A or 60A (continuous) current rating
- Three-phase, 3-wire (no neutral), 60Hz system type
- 10,000A short-circuit current rating (extendable to 50,000A)
- Trip level settings
- Fixed at 6mA (Class A models)
- Fixed at 20mA (Class C/D models)
- Selectable 6mA, 10mA, 20mA, 30mA, 40mA, 50mA, 60mA, 70mA, 80mA, 90mA, or 100mA (EGFPD models)
- Inverse time curve trip time setting, according to UL 943
- Selectable short or Zener termination, fail-safe, and CSA M421 compliant
- IP69K and NEMA 4X (outdoor) lockable polycarbonate enclosure
- -35°C to +40°C, up to +60°C with derating
- Approvals
- UL Listed Class A GFCI (UL 943)
- UL Listed Class C, D SPGFCI (UL 943C)
- cULus Listed EGFPD (UL 943/UL 1053)
- UL 1998
Videos
Simplified Circuit Diagram
Connection Diagram
Additional Resources
Publicado: 2022-05-18
| Actualizado: 2024-02-09
