Luminus Devices CBM-160X-UV Ultraviolet Chip On Board LEDs
Luminus Devices CBM-160X-UV Ultraviolet LEDs are designed with UVX technology that enables ultra-high power density operation up to 4A/mm2. These LEDs feature a 380nm to 410nm UVA wavelength range and a surface-emitting area of 16mm2 with a 4:3 aspect ratio. The CBM-X-UV LEDs include a low-profile window for efficient coupling into small-etendue systems. These LEDs achieve over 60W of optical power at maximum rated drive conditions. The CBM-X-UV LEDs are RoHS, REACH, and halogen compliant. Typical applications include maskless Lithography, curing, machine vision, scientific instrumentation, and 3D printing.Features
- Mosaic array UV LED chipset with surface-emitting area of 16mm2, 4:3 aspect ratio
- UVX technology enables ultra-high power density operation up to 4A/mm2
- Low-profile window for efficient coupling into small-etendue systems
- 380nm to 410nm UVA wavelength range
- Over 60W of optical power at maximum rated drive condition
- Electrically isolated and high thermal conductivity copper core board package
Applications
- Maskless Lithography
- Machine vision
- Scientific and medical instrumentation
- 3D printing
- Curing:
- Inks
- Coating
- Adhesive
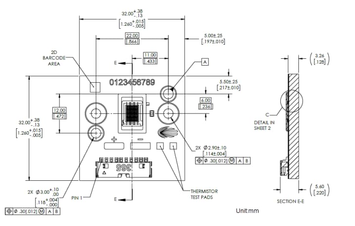
Mechanical Drawing
Typical Spectrum Diagram
Publicado: 2023-11-02
| Actualizado: 2023-11-15
