MACOM MAAP-011313 4W 4-Stage Ku-Band Power Amplifier
MACOM MAAP-011313 4W 4-Stage Ku-Band Power Amplifier is packaged in a lead-free, 5mm, surface-mount, 32-lead, air-cavity, QFN plastic package. The power amplifier operates at 13.5GHz to 15GHz, provides 36dB of P3dB linear gain (saturated output power at 3dB gain compression), and 34.5dBm of P1dB (output power at 1dB compression point). Other features include 4W of saturated output power, power-added efficiency (PAE) of 28% (at P3dB) while biased at +6V, and an input and output return loss of 15dB. The MACOM MAAP-011313 can be used as a power amplifier stage or as a driver stage in higher-power applications. The device is suitable for linear Ku-band VSAT and point-to-point radio applications.Features
- 36dB high gain
- 34.5dBm P1dB
- 36.0dBm P3dB
- IM3 Level of -28dBc at POUT = 28dBm/tone
- 28% power-added efficiency at P3dB
- Temperature-compensated output power detector
- Lead-free 5mm AQFN 32-lead package
- RoHS compliant
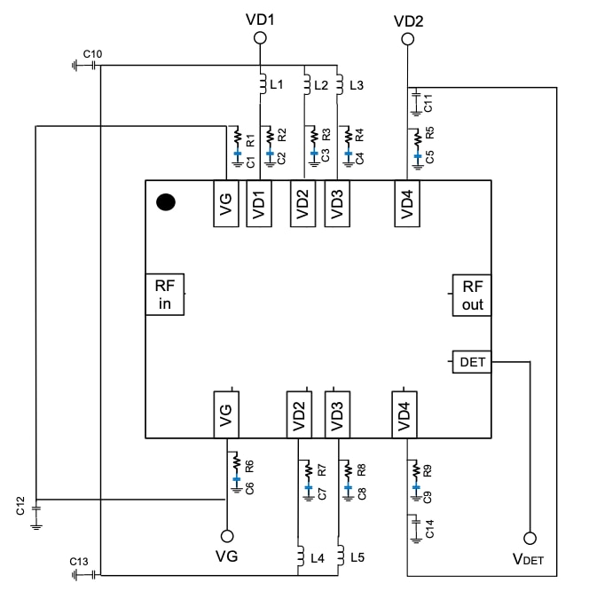
Application Schematic
Dimensions
Publicado: 2020-08-06
| Actualizado: 2024-06-04
