MACOM MAAL-010528 X-Band LNA

MACOM Technology MAAL-010528 X-Band Low Noise Amplifier (LNA) operates from 8GHz to 12GHz, providing a nominal gain of 20dB with excellent gain flatness, high OIP3 linearity of 26dBm, and a mid-band noise figure of 1.6dB. This high-performance monolithic microwave IC features a self-bias architecture that requires only a single, positive supply. This MACOM device is internally matched to 50Ω input/output. The device's ease of use and excellent performance parameters make it ideal for use in a variety of applications, including Vsat, radar, and microwave radios.

The MAAL-010528 is housed in a miniature Power Quad Flat No Lead (PQFN) surface mount plastic package.

Features

  • 8GHz to 12GHz operating frequency
  • 20dB typical gain
  • 1.6dB noise figure
  • Single +4V bias @ 60mA
  • Fully internally matched to 50Ω
  • -40°C to +85°C operating temperature range
  • PQFN-16 package type
  • 3mm x 3mm package dimensions
  • Halogen-free "Green" mold compound
  • RoHS compliant and 260°C reflow compatible

Applications

  • Vsat
  • Radar
  • Microwave radios

Pin Configuration

Mechanical Drawing - MACOM MAAL-010528 X-Band LNA

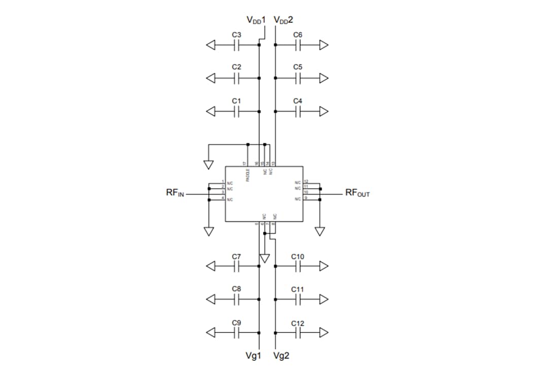
Application Schematic

Application Circuit Diagram - MACOM MAAL-010528 X-Band LNA

Package Outline

Mechanical Drawing - MACOM MAAL-010528 X-Band LNA
Publicado: 2013-03-04 | Actualizado: 2022-03-11