MEAN WELL PHP-3500-HV 3500W High-Voltage Power Supplies
MEAN WELL PHP-3500-HV 3500W High-Voltage Power Supplies are single-output power supplies with a 60mm low-profile design. The PHP-3500-HV features a 90VAC to 264VAC input range and output voltage line options of 115VDC, 230VDC, and 380VDC. These power supplies offer high efficiency up to 96% and operate from -30°C to +70°C under water cooling. PHP-3500-HV provides complete protection functions and 2G anti-vibration capability.
Features
- High voltage output (115VDC / 230VDC / 380VDC)
- Fanless design with water or conduction cooling
- Active PFC design and efficiency up to 96%
- Protections
- Short circuit
- Overload
- Overvoltage
- Over-temperature
- Slim and low profile (60mm)
- Five-year warranty
- Built-in PMBus communication protocol, CANbus optional
- Output voltage and constant current level programmable
- Built-in remote ON/OFF control and DC-OK active signal
- Optional water-cooling plate for quick installation
- OVC III operating altitude up to 2000m LED indicator for power on
Applications
- Industrial automation machinery
- Industrial control systems
- Mechanical and electrical equipment
- Electronic instruments and equipment
- Laser equipment
- Household appliances
- Charging systems
- Electrolysis systems
- DC centralized buses
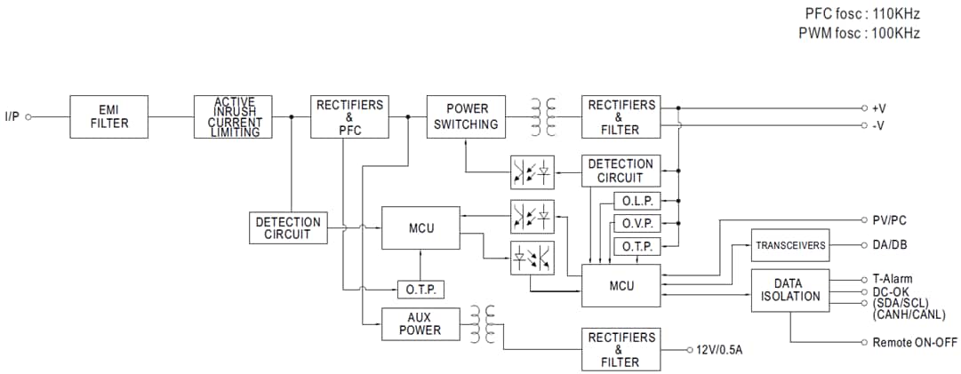
Block Diagram
Publicado: 2021-06-09
| Actualizado: 2026-03-05
