Microchip Technology DSC61x MEMS Clock Generators
Microchip Technology DSC61x MEMS Clock Generators are a low-power, ultra-small footprint, and crystal-less family of generators. The clock generators are factory configurable and are available in DSC610, DSC612, and DSC613 variants. These DSC612 devices generate up to two independent LVCMOS outputs, and DSC613 MEMS generate up to three LVCMOS outputs from two PLLs. Each output can be configured to generate any frequency from 2kHz to 100MHz. These clock generators implement PureSilicon™ MEMS technology to provide low jitter and high stability across a wide range of supply voltages and temperatures.The DSC61x clock generators significantly enhance reliability and accelerate product development by eliminating the external quartz crystal. These clock generators are available in 1.6mm x 1.2mm, 2mm x 1.6mm, and 2.5mm x 2mm VFLGA plastic packages.
Features
- MEMS-based clock generator eliminates the need for external crystal or reference clock
- 1.71V to 3.63V wide supply voltage range
- Ultra-small package sizes
- 1.6mm x 1.2mm
- 2mm x 1.6mm
- 2.5mm x 2mm
- ±20ppm, ±25ppm, and ±50ppm high-frequency stability
- DSC612
- Two 2kHz to 100MHz two LVCMOS output clocks
- 5mA low power consumption
- DSC613
- Three 2kHz to 100MHz three LVCMOS output clocks
- 5.2mA low power consumption
- Wide temperature range
- Automotive -40°C to 125°C
- External industrial -40°C to 105°C
- Industrial -40°C to 85°C
- Commercial -20°C to 70°C
- Excellent shock and vibration immunity
- Qualified to MIL-STD-883
- High reliability
- Lead-free and RoHS-compliant
- Automotive option AEC-Q100 available
Applications
- Low-power/portable
- IoT
- Embedded/Smart devices
- Consumer
- Home healthcare
- Fitness devices
- Home automation
- Industrial
- Building/Factory automation
- Surveillance cameras
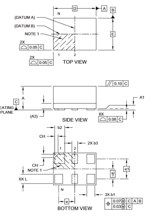
DSC61x Dimensions
View Results ( 8 ) Page
| N.º de artículo | Hoja de datos | Descripción | Serie |
|---|---|---|---|
| DSC613PI3A-0105 | ![]() |
Clock Generators & Support Products 3-output MEMS clock generator, 1.6x1.2mm, 6-pin, 20ppm, -40 to 85C | DSC613 |
| DSC613RI2A-012ST | ![]() |
Clock Generators & Support Products 3-Output MEMS Clock Gen, 12M, 25M, 0.032768M, -40C-85C, 25ppm, 2.5x2.0mm | DSC613 |
| DSC612PI2A-012Q | ![]() |
Clock Generators & Support Products 2-Output MEMS Clock Gen, 24M, 25M, -40C-85C, 25ppm, 1.6x1.2mm | DSC612 |
| DSC612RI1A-012M | ![]() |
Clock Generators & Support Products 2-Output MEMS Clock Gen, 25 , 50 , -40C-85C, 50ppm, 2.5x2.0mm | DSC612 |
| DSC613PL3A-0106 | ![]() |
Clock Generators & Support Products 3-output MEMS clock generator, 1.6x1.2mm, 6-pin, 20ppm, -40 to 105C | DSC613 |
| DSC613RA2A-0106 | ![]() |
Clock Generators & Support Products 3-output MEMS clock generator, 2.5x2.0mm, 6-pin, 25ppm, -40 to 125C | DSC613 |
| DSC613RI2A-012S | ![]() |
Clock Generators & Support Products 3-Output MEMS Clock Gen, 12M, 25M, 0.032768M, -40C-85C, 25ppm, 2.5x2.0mm | DSC613 |
| DSC613RI3A-010U | ![]() |
Clock Generators & Support Products 3-output MEMS clock generator, 2.5x2.0mm, 6-pin, 20ppm, -40 to 85C | DSC613 |
Publicado: 2018-12-13
| Actualizado: 2023-01-10

