Microchip Technology MCP1665 PFM/PWM Step-up Converter
Microchip Technology MCP1665 PFM/PWM Step-up Converter provides a space-efficient high-voltage step-up power supply solution for applications powered by batteries. The MCP1665 converter features a 36V, 100mΩ integrated switch, controlled start-up voltage, internal compensation, adjustable output voltage, and Pulse Frequency Modulation / Pulse Width Modulation (PFM/PWM) mode. The Undervoltage-Lockout (UVLO) feature of the MCP1665 avoids start-up and operation with low inputs or discharged batteries for cell-powered applications. A typical 3.6A cycle-by-cycle inductor peak current limit operation protects the integrated switch. The output overvoltage protection and open-load protection turn off switching by short-circuiting the feedback pin when feedback resistors are accidentally disconnected. This MCP1665 converter creates a Boost, Single-Ended Primary-Inductance Converter (SEPIC), or flyback DC-DC converters within a small PCB area. The MCP1665 converter suits LCD bias supply for portable applications, camera phone flash, single-cell Li-ion to 5V, 12V, or 24V converters, flashlight, and lighting applications.The Microchip Technology MCP1665 PFM/PWM Step-up Converter is housed in a compact 2mm x 2mm VQFN-10 package, ideal for space-constrained applications.
Features
- 36V, 100mΩ integrated switch
- Up to 92% efficiency
- Up to 32V output voltage range
- 2.9V to 5V input voltage range
- 1.2VFB feedback voltage reference
- Inrush current limiting and internal soft-start
- Cycle-by-cycle current limiting
- Internal compensation
- Output Overvoltage Protection (OVP) and Open-Load Protection (OLP) for constant current configuration
- Thermal shutdown
- Easily configurable for Single-Ended Primary-Inductor Converter (SEPIC) or flyback topologies
Applications
- Three-cell alkaline, lithium, and NiMH/NiCd portable products
- Single-cell Li-ion to 5V, 12V, or 24V converters
- LCD bias supply for portable applications
- Camera phone flash
- Flashlight
- Battery-powered LEDs
- Lighting applications
- Portable medical equipment
- Hand-held instruments
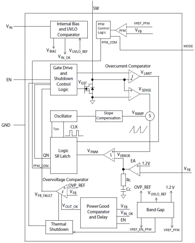
Block Diagram
Publicado: 2017-12-15
| Actualizado: 2022-04-11
