Microchip Technology MCP19116/MCP19117 Analog Current Controllers

Microchip MCP19116/MCP19117 Analog Current Controllers are a mid-voltage (4.5V tov42V) analog-based PWM controller with an integrated 8-bit PIC™ Microcontroller. This unique product family combines the performance of a high-speed analog solution, including high-efficiency and fast-transient responses, with the configurability and communication interface of a digital solution. Combining these solution types creates a new family of devices that maximizes the strengths of each technology to create a more cost-effective, configurable, high-performance power conversion solution. These products allow the development of flexible power supplies that can be configured perfectly to the target application with minimal external components. Also, these devices can be programmed to dynamically respond to measurements or events within the system. This is done by dynamically tailoring the operation to the environment or intelligently responding to faults for robust operation.

The MCP19116/MCP19117 is similar to the MCP19114 and MCP19115 but contains additional calibration features for improved accuracy and measurement. They also come with larger flash memory for storing additional code within the device. The MCP19117 is functionally equivalent to the MCP19116; however, the MCP19117 offers more GPIO and a debugging interface. The MCP19116/MCP19117 hardware and software development tools provide a convenient and powerful development platform to develop and evaluate a Boost and Buck/Boost power supply design.

Features

  • Current regulation accuracy with less than 5% variation across temperature, including all line, load, and system variations
  • Dynamically adjustable output current over a wide operating range
  • 4.5V to 42V operating voltage range 
  • Analog peak-current mode Pulse-Width Modulation (PWM) control
  • Integrated 8-Bit PIC® Microcontroller
  • Available fixed frequency or quasi-resonant mode operation, adjustable 31kHz to 2MHz
  • I2C communication interface
  • Significant configurability:
    • Adjustable output voltage
    • Output current
    • MOSFET deadtime
    • Leading-edge blanking time
    • Thermal responses,
    • Slope compensation
    • Over-current protection
    • Over- and under-voltage lockout levels

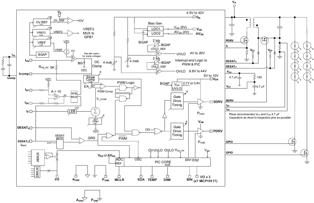
Block Diagram

Block Diagram - Microchip Technology MCP19116/MCP19117 Analog Current Controllers
Publicado: 2019-07-31 | Actualizado: 2023-06-05