Microchip Technology PIC32MX27 32-Bit XLP Microcontrollers
Microchip Technology PIC32MX27 32-Bit XLP Microcontrollers bring lower power run, sleep, and deep sleep currents to the PIC32MX family. The PIC32MX27 MCUs increase the frequency of 28 and 44-pin devices up to 72MHz. These MCUs are available with 256K Flash and 64K SRAM and FS USB.Features
- Up to 72MHz/116 DMIPS, MIPS32® M4K® core
- eXtreme Low Power (XLP) Sleep and Deep Sleep
- USB 2.0-compliant Full-speed OTG controller
- Two I2S/SPI modules for Codec and serial communications
- Peripheral Pin Select (PPS) functionality
- Parallel Master Port (PMP) with dual read/write buffers for graphics interfaces
- mTouch™ Capacitive touch
- -40°C to +105°C operating temperature range
- Operating voltage range of 2.3V to 3.6V
- 256KB Flash memory (plus an additional 12KB of Boot Flash)
- 64KB SRAM memory
- MIPS16e® mode for up to 40% smaller code size
- Low-power management modes (Sleep and Idle) Peripheral Features
- Peripheral Pin Select (PPS) functionality to allow function remap
- Two additional DMA channels dedicated to USB
- Two UARTs (12.5Mbps) and two I2C modules
- Hardware Real-Time Clock and Calendar (RTCC)
- Five 16-bit and up to two 32-bit Timers/Counters
- Five capture inputs and five compare/PWM outputs
- External graphics interface
- Audio data communication: I2S, LJ, RJ, USB
- Audio data control interface: SPI and I2C
- Generation of fractional clock frequencies
- Can be synchronized with a USB clock
- Can be tuned in run-time
- Supports mTouch™ capacitive touch sensing Advanced Analog Features
- 10-bit 1Msps rate with one Sample and Hold (S&H)
- 13 analog inputs
- Can operate during sleep mode
- Flexible and independent ADC trigger sources
- Three dual-input Comparator modules
- In-circuit and in-application programming
- 4-wire MIPS® Enhanced JTAG interface
- Unlimited program and six complex data breakpoints
- IEEE 1149.2-compatible (JTAG) boundary scan
Applications
- Audio
- Embedded graphics
- Connectivity
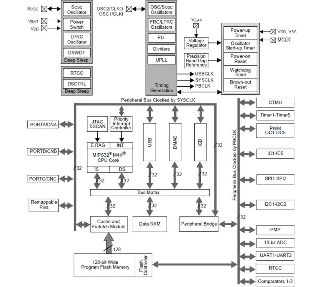
Block Diagram
Publicado: 2017-07-06
| Actualizado: 2022-03-11
