Mikroe MIKROE-3349 UART I²C/SPI Click

Mikroe MIKROE-3349 UART I2C/SPI Click is an all-in-one solution that allows ESD-protected RS-232 connectivity to any embedded application. The Mikroe UART I2C/SPI click comes with onboard NXP SC161S740 I2C/SPI to UART interface and Maxim Integrated MAX3237 true RS-232 transceiver. This click bridges the UART and I2C/SPI interfaces at the same time. The UART I2C/SPI click features auto flow control (software and hardware), line-break generation and detection, programmable special character detection, and 15kV ESD protection. Typical applications include battery-powered hand-held and portable equipment, PDAs, palmtops, and digital cameras.

Features

  • Allows ESD-protected RS-232 connectivity to any embedded application
  • Bridges UART and I2C/SPI interfaces
  • Equipped with DE-9 connector
  • Onboard modules
    • SC16IS740 with 64-bytes of transmit and receive FIFOs and IrDA SIR built-in support
    • MAX3237 low-power and true RS-232 transceiver
  • Line-break generation and detection
  • Programmable special character detection
  • Autoflow control (software and hardware)
  • 15kV ESD protection
  • I2C and SPI interface
  • 3.3V input voltage
  • 57.15mm x 25.4mm dimensions

UART I2C/SPI Click Overview

Mikroe MIKROE-3349 UART I²C/SPI Click

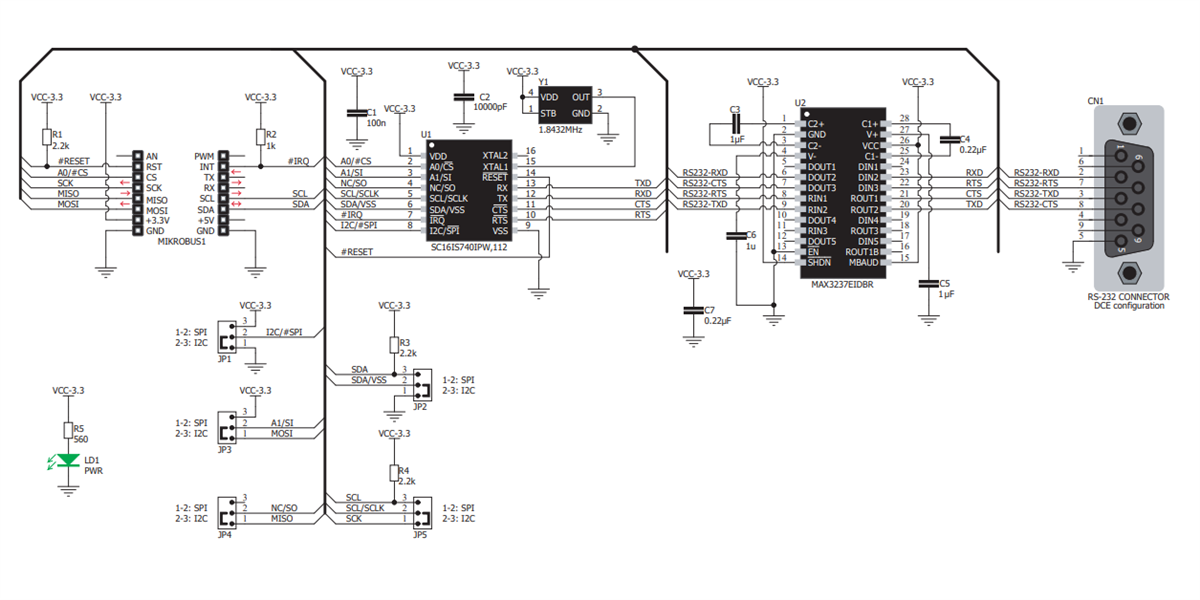
UART I2C/SPI Click Schematic Diagram

Schematic - Mikroe MIKROE-3349 UART I²C/SPI Click
Publicado: 2019-04-12 | Actualizado: 2023-09-21