Mini-Circuits TB-JCIQ-176D+ Evaluation Board
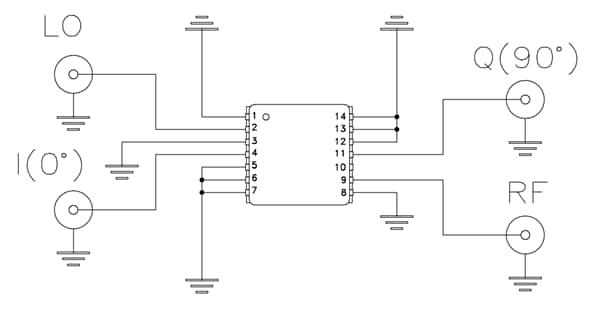
Mini-Circuits TB-JCIQ-176D+ Evaluation Board evaluates the JCIQ series I&Q SMT Demodulator. The board features SMA female connectors constructed of RO4350 PCB material. The JCIQ-176D+ demodulator operates with a 50mW LO/RF power rating and 40mA I&Q current rating within a 104MHz to 174MHz frequency range. The Mini-Circuits TB-JCIQ-176D+ Evaluation Board is ideal for communication system applications.Features
- Evaluates the JCIQ-176D+ I&Q SMT Demodulator
- SMA female connectors
- 50Ω impedance rating
- RO4350 PCB material
Schematic
Publicado: 2024-04-09
| Actualizado: 2024-05-16
