Mitsubishi Electric DIPIPM™ Modules
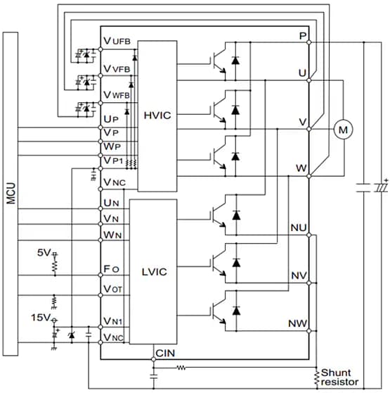
Mitsubishi Electric DIPIPM™ Modules implement single-control power supply and photocoupler-less systems, ideal for household appliances and low-capacity inverters. The DIPIPM modules feature a built-in bootstrap diode (BSD) and a compact board. The high-voltage IC is equipped with drive, protection, and level-shift circuits for direct control from input signals via a CPU or microcomputer. Mitsubishi Electric DIPIPM Modules utilize a transfer-molded structure that incorporates a high thermal conductivity insulation sheet to provide heat. The DIPIPM lineup includes the SLIMDIP™, Super Mini, Mini, Large, and DIPIPM+™ series.Features
- Transfer-molded structure
- Built-in BSD
- Equipped with drive, protection, and level-shift circuits
- Compact board
Applications
- Home appliances
- Washing machines
- Refrigerators
- Air conditioners
- Fan motors
- Renewable energy
- AC motors
- Robots
- Inverters
- Wind power
Specifications
- High active input of 3V to 5V
- 1500V, 2000, or 2500Vrms insulation voltage
- Open emitter pin of N-side
- Insulation sheet structure
- RoHS compliant
SLIMDIP Wiring Example
Application Circuit (Super Mini)
Publicado: 2020-08-21
| Actualizado: 2024-10-29
