Monolithic Power Systems (MPS) EVQ4571-QB-00A Buck Converter Evaluation Board

Monolithic Power Systems (MPS) EVQ4571-QB-00A Buck Converter Evaluation Board demonstrates the capabilities of the MPQ4571 / MPQ4571-AEC1 fully integrated, fixed-frequency, synchronous step-down converters. The MPQ4571 / MPQ4571-AEC1 employs advanced asynchronous mode (AAM) to achieve high efficiency under light-load conditions by scaling down the switching frequency. The scale down reduces switching and gate-driving losses. The fully assembled and tested EVQ4571-QB-00A evaluation board generates a 5V output voltage at load currents up to 1A from a 5V to 60V input range.

Features

  • Wide 5V to 60V operating input range with 1A continuous output current
  • High-efficiency synchronous mode control
  • 250mΩ/45mΩ internal power MOSFETs
  • Configurable frequency up to 2.2MHz
  • 180° out-of-phase SYNCO clock
  • 40μA quiescent current
  • Low 2μA shutdown mode current
  • Selectable AAM or forced CCM operation at light-load
  • Internal 0.45ms soft start
  • Remote EN control
  • Power good indicator
  • Low-dropout mode
  • Over-current protection
  • Thermal shutdown
  • Available in a QFN-12 (2.5mm x 3mm) package
  • AEC-Q100 Grade 1 qualified

Applications

  • Automotive systems
  • Industrial power systems

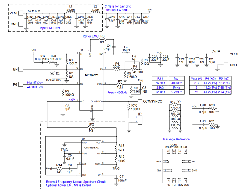
Schematic

Schematic - Monolithic Power Systems (MPS) EVQ4571-QB-00A Buck Converter Evaluation Board
Publicado: 2023-01-24 | Actualizado: 2023-01-27