Monolithic Power Systems (MPS) MPQ2169B Synchronous Step-Down Regulators

Monolithic Power Systems (MPS) MPQ2169B Synchronous Step-Down Regulators are compact, high-performance step-down regulators. The Monolithic Power Systems (MPS) MPQ2169B is designed to meet the power demands of portable devices. The device has an input voltage range of 2.7V to 6V and a configurable output current of 1.4A/1.4A or 2A/0.8A. The dual PWM synchronous regulator is ideal for powering single-cell Li-ion battery-based equipment. Equipped with internal compensation and a low quiescent current of only 65µA, the MPQ2169B offers unparalleled efficiency and flexibility.

Features

  • Cooler thermals
    • Below 20°C Operating Junction Temperature (TJ) rise at 2A/0.8A, 2.3MHz
    • 90% efficiency (5V to 1.8V, 2A, 2.3MHz)
    • Low-Ohmic BCD FET technology
  • Low noise EMI and EMC
    • MeshConnect™ flip-chip package
    • Operates outside of AM radio band
  • Reduces board size and BOM
    • Integrated compensation network
    • Available in a small QFN-18 (2.5mm x 3.5mm) package
  • Additional features
    • Power Good (PG) output
    • External Soft Start (SS) and tracking
    • Over-Current Protection (OCP) with hiccup mode
    • External sync clock
    • Forced Continuous Conduction Mode (FCCM)
    • 100% duty cycle operation
    • Available in AEC-Q100 grade 1

Applications

  • Automotive infotainment
  • Automotive clusters
  • Automotive telematics
  • Battery-powered devices
  • Portable instruments

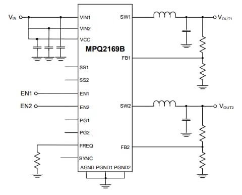
TYPICAL APPLICATION

Monolithic Power Systems (MPS) MPQ2169B Synchronous Step-Down Regulators
Publicado: 2023-04-19 | Actualizado: 2023-05-05