Monolithic Power Systems (MPS) MPQ7220-AEC1 LED Lighting Drivers

Monolithic Power Systems (MPS) MPQ7220-AEC1 LED Lighting Drivers are boost converters with six-channel current sources that are designed for driving automotive tail lights. These LED drivers use peak current mode as their PWM control architecture and the switching frequency can be programmed by a resistor. The MPQ7220-AEC1 LED lighting drivers independently regulate the current in each LED string to the value set by an external current setting resistor. These drivers apply six internal current sources with one in each LED string terminal to achieve a current balance with 2.5% current regulation accuracy between strings. The low headroom voltage for the LED regulation and on-resistance of switching MOSFETs allow for high efficiency. These LED lighting drivers protection modes include Over-Current Protection (OCP), Over-Voltage Protection (OVP), Over-Temperature Protection (OTP), and LED string short and open protection. The MPQ7220-AEC1 LED lighting drivers operate at a 3.5V to 36V input voltage range and 40°C to 125°C temperature range.

Features

  • Six channels with max 100mA per channel
  • Internal 100mΩ and 50V MOSFET
  • Programmable up to 2.2MHz fSW
  • External sync SW function
  • PWM dimming (Dimming frequency from 100Hz to 20kHz)
  • Excellent EMI performance and spread spectrum
  • Disconnect VOUT from VIN
  • 2.5% current matching
  • Cycle-by-cycle current limiting
  • Programmable LED short threshold
  • Programmable OVP threshold
  • LED current auto-decrement at high temperatures
  • LED short/open, OTP, OCP, and inductor short protection
  • Fault indicator signal output
  • Available in QFN-24 (4mm x 4mm) and TSSOP28-EP packages
  • AEC-Q100 Grade 1

Specifications

  • 3.5V to 36V input voltage range
  • -40°C to 125°C operating temperature range
  • -65°C to 150°C storage temperature range
  • 100mA output current
  • 2200kHz operating frequency

Applications

  • Automative tail lights

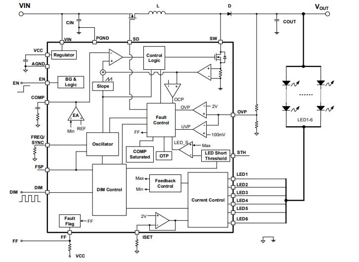
Block Diagram

Block Diagram - Monolithic Power Systems (MPS) MPQ7220-AEC1 LED Lighting Drivers

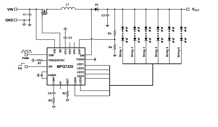
Typical Application Circuit Diagrams

Application Circuit Diagram - Monolithic Power Systems (MPS) MPQ7220-AEC1 LED Lighting Drivers
Publicado: 2021-02-17 | Actualizado: 2023-02-02