Nexperia Precision Analog Switches

Nexperia Precision Analog Switches are suitable for use as analog or digital multiplexers/demultiplexers. These switches have low threshold digital inputs, which allow them to be driven by 1.8V logic levels in 3.3V applications without increasing the current supply. This makes it possible for the device to switch 4.3V signals with a 1.8V digital controller, eliminating the need for logic-level translation. Typical applications include appliances, communication systems, medical equipment, analog sensor monitoring, audio routings/switchings, and test measurements.  

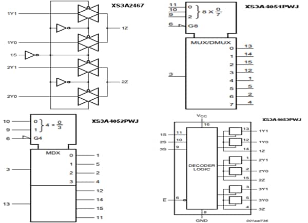
The XS3A2467 is a dual low-ohmic double-pole double-throw analog switch consisting of four switches, each with two independent input/outputs and a common input/output.

The XS3A4051 is a low-ohmic 8-channel analog switch with eight switches, three digital select inputs, eight independent inputs/outputs, and a common input/output.

The XS3A4052 is a low-ohmic dual-pole quad-throw analog switch, and each switch features four independent inputs/outputs and a common input/output.

The XS3A4053 is a triple low-ohmic single-pole double-throw analog switch, and each switch has a digital select input, two independent inputs/outputs, and a common input/output.

 

Features

  • 1.4V to 4.3V wide supply voltage range
  • Break-before-make switching
  • High noise immunity
  • CMOS low-power consumption
  • Latch-up performance exceeds 100mA per JESD78 Class II Level A
  • Control input accepts voltages above the supply voltage
  • Very low supply current (even when input is below VCC)
  • High current handling capability (350mA continuous current under 3.3V supply)
  • Specified from -40°C to 85°C and from -40°C to 125°C
  • XS3A Series: 0.5Ω
  • XS5A1T Series: 4Ω
  • XS3A2467
    • Very low ON resistance (peak):
      • 1.6Ω (typical) at VCC =1.4V
      • 1.0Ω (typical) at VCC =1.65V
      • 0.55Ω (typical) at VCC =2.3V
      • 0.5Ω (typical) at VCC =2.7V
      • 0.5Ω (typical) at VCC =4.3V
    • ESD protection:
      • HBM ANSI/ESDA/JEDEC JS-001 exceeds 4000V
      • CDM ANSI/ESDA/JEDEC JS-002 exceeds 1000V
      • IEC61000-4-2 contact discharge exceeds 8000V for switch ports
    • 1.8V control logic at VCC =3.6V
  • XS3A4051
    • Very low ON resistance (peak):
      • 1.6Ω (typical) at VCC =1.4V
      • 1.0Ω (typical) at VCC =1.65V
      • 0.55Ω (typical) at VCC =2.3V
      • 0.50Ω (typical) at VCC =2.7V
      • 0.50Ω (typical) at VCC =4.3V
    • ESD protection:
      • HBM ANSI/ESDA/JEDEC JS-001 exceeds 8000V
      • CDM ANSI/ESDA/JEDEC JS-002 exceeds 1000V
      • IEC61000-4-2 contact discharge exceeds 8000V for switch ports
    • Low-switching threshold levels
  • XS3A4052
    • Very low ON resistance (peak):
      • 1.6Ω (typical) at VCC =1.4V
      • 1.0Ω (typical) at VCC =1.65V
      • 0.55Ω (typical) at VCC =2.3V
      • 0.50Ω (typical) at VCC =2.7V
      • 0.50Ω (typical) at VCC =4.3V
    • ESD protection:
      • HBM ANSI/ESDA/JEDEC JS-001 exceeds 6000V
      • CDM ANSI/ESDA/JEDEC JS-002 exceeds 1000V
      • IEC61000-4-2 contact discharge exceeds 8000V for switch ports
    • Low-switching threshold levels
  • XS3A4053
    • Very low ON resistance (peak):
      • 1.6Ω (typical) at VCC = 1.4V
      • 1.0Ω (typical) at VCC = 1.65V
      • 0.55Ω (typical) at VCC = 2.3V
      • 0.5Ω (typical) at VCC = 2.7V
      • 0.5Ω (typical) at VCC = 4.3V
    • ESD protection:
      • HBM ANSI/ESDA/JEDEC JS-001 exceeds 4000V
      • CDM ANSI/ESDA/JEDEC JS-002 exceeds 1000V
      • IEC61000-4-2 contact discharge exceeds 8000V for switch ports
    • 1.8V control logic at VCC = 3.6V

Applications

  • Appliances
  • Communication systems
  • Medical equipment
  • Analog sensor monitoring
  • Audio routing/switching
  • Test and measurement
  • Data center switches
  • Rack servers
  • Air conditioning units
  • Multifunction printers

Functional Diagram

Mechanical Drawing - Nexperia Precision Analog Switches
View Results ( 5 ) Page
N.º de artículo Hoja de datos Descripción RoHS - Mouser Empaquetado
XS5A1T4157GWH XS5A1T4157GWH Hoja de datos Circuitos integrados de interruptor analógico SOT363-2 ANALOG SWITCH PREC Y Reel
XS3A2467PWJ XS3A2467PWJ Hoja de datos Circuitos integrados de interruptor analógico TSSOP-16 ANALOG SWITCH IC Y Reel
XS3A4052PWJ XS3A4052PWJ Hoja de datos Circuitos integrados de interruptor analógico TSSOP-16 ANALOG SWITCH IC Y Reel
XS3A4053PWJ XS3A4053PWJ Hoja de datos Circuitos integrados de interruptor analógico TSSOP-16 ANALOG SWITCH IC Y Reel
XS3A4051PWJ XS3A4051PWJ Hoja de datos Circuitos integrados de interruptor analógico TSSOP-16 ANALOG SWITCH IC Y Reel
Publicado: 2022-04-28 | Actualizado: 2022-12-29