Nisshinbo NJW4106-T1 Adjustable LDO Voltage Regulator IC
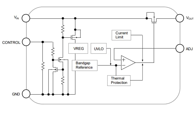
Nisshinbo NJW4106 Adjustable Low-dropout (LDO) Voltage Regulator IC is a 45V, Io= 500mA fast transient response low-dropout regulator. This voltage regulator IC achieves a fast transient response and offers stable output voltage at line or load fluctuations. The NJW4106-T1 voltage regulator IC provides high ADJ voltage accuracy that guarantees 1.24V±2.0% under conditions, VIN=Vo+1V to 40V, Io= 0mA to 500mA, and Ta=-40°C to 125°C. This voltage regulator IC features ON/OFF control, undervoltage lockout, thermal shutdown, and overcurrent protection. The NJW4106-T1 voltage regulator IC is AEC-Q100 grade 1 qualified, comes in a TO-252-5-L5 package, and is ceramic capacitor compatible. Typical applications include car infotainment, automotive ECUs, and industrial equipment.Features
- AEC-Q100 grade 1 qualified
- Fast transient response
- ON/OFF control
- Ceramic capacitor compatible
- Undervoltage lockout
- Thermal shutdown
- Overcurrent protection
Specifications
- 4V to 40V wide operating voltage range
- 2.5V to 16V adjustable output voltage range
- 1.24V±2.0% high-accuracy ADJ voltage under conditions, VIN=Vo+1V to 40V, Io=0mA to 500mA, and Ta=-40°C to 125°C
- 500mA minimum output current
- -40°C to 125°C operating temperature range
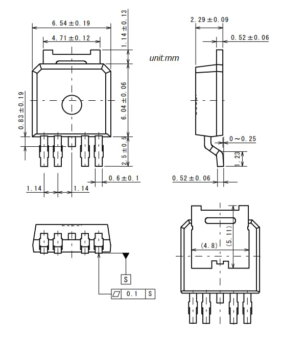
- TO-252-5-L5 package
Applications
- Car infotainment
- Automotive ECUs
- Industrial equipment
Block Diagram
Typical Application Diagram
Package Dimensions
Publicado: 2023-10-23
| Actualizado: 2024-01-25
