Nisshinbo NJM4580 Dual Operational Amplifiers
Nisshinbo NJM4580 Dual Operational Amplifiers offer noiseless, higher gain bandwidth, high output current, and low distortion ratio. The specifications include ±2V to ±18V operating voltage range, 0.0005% typical distortion rating, 5V/μs typical slew rate, and bipolar technology. The NJM4580 series is offered in a wide range of package sizes. Nisshinbo NJM4580 Dual Operational Amplifiers are designed for improving tone control in audio applications. The amps are ideally suited for use in acoustic electronic parts of audio pre-amplifiers, active filters, and industrial measurement tools.Features
- Package Outline
- DIP8
- SIP8
- DMP8
- SSOP8
- MSOP8(VSP8) MEET JEDEC MO-187-DA
- SOP8 JEDEC 150mil
- ±2V to ±18V operating voltage range
- 0.8μVrms typ. (RIAA) input noise voltage
- 15MHz typ. GBW rating
- 0.0005% typ. distortion rating
- 5V/μs typ. slew rate
- Bipolar technology
Applications
- Acoustic electronic parts
- Audio pre-amplifiers
- Active filters
- Industrial measurement tools
Pin Configuration
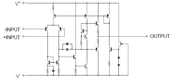
Equivalent Circuit (1/2 Shown)
Publicado: 2016-05-26
| Actualizado: 2022-03-11
