NXP Semiconductors MC33926 ICs & Drivers
NXP Semiconductors MC33926 ICs and Drivers are SMARTMOS monolithic H-Bridge Power ICs designed primarily for automotive electronic throttle control. These NXP ICs apply to any low-voltage DC servo motor control application within the current and voltage limits. The MC33926 drivers feature overcurrent limiting via an internal constant-off-time PWM and output short-circuit protection. These ICs include temperature-dependent current limit threshold reduction. The MC33926 drivers operate at a 5V to 28V voltage range. These drivers are ideal for electronic throttle control (ETC), exhaust gas recirculation (EGR), and turbo flap control.Features
- Overcurrent limiting (regulation) via an internal constant-off-time PWM
- Output short-circuit protection (short to VPWR or ground)
- Temperature-dependent current limit threshold reduction
- All inputs have an internal source/sink to define the default (floating input) states
- AEC-Q100 grade 1 qualified
Applications
- Electronic throttle control
- Exhaust gas recirculation
- Turbo flap control
- Industrial and medical pumps and motor control
Specifications
- 5V to 28V operating voltage range
- 225mΩ maximum RDS(on)
- -40°C to 125°C operating temperature range
- 20kHz PWM frequency
- 5A threshold current limit
Block Diagram
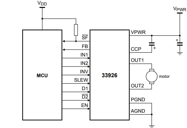
Application Circuit Diagram
Publicado: 2020-06-09
| Actualizado: 2024-10-17
