Omron Electronics G8PM-K Automotive PCB Relays
Omron Electronics G8PM-K Automotive PCB Relays replace mini ISO plug-in type relays and feature a small size and high heat resistance. G8PM relays are designed with an advanced contact structure, providing more reliability than typical twin contacts and low-level switching capability. These relays offer a 40A carrying capacity, 12VDC voltage rating, and a two-winding latching classification. Omron Electronics G8PM-K Automotive PCB Relays are suitable for automotive DC applications, including smart junction boxes, radiator fans, DC/DC converters, and headlamps.Features
- Can replace mini ISO plug-in type relay
- Small size
- High heat resistance
- Can support 60A fuses
- PIP reflow compliant
- 2-winding latching classification
Applications
- DC power supplies for infrastructure systems
- DC power supplies for FA
- DC heater and power supplies for small mobility
- AGVs
- EV wheelchairs
- Delivery robots
- EV agricultural machinery
- EV forklifts
- EV carts
- Automotive DC
- Smart junction boxes
- Main power
- Radiator fans
- DC/DC converters
- Headlamps
Specifications
- SPST 1 Form A single contact form
- 12VDC voltage rating
- 40A carrying capacity
- 100A maximum inrush switching current
- -40°C to +125°C operating temperature range
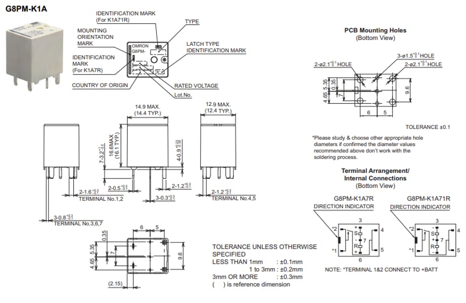
Dimensions & PCB Layout
Additional Resources
Publicado: 2024-09-17
| Actualizado: 2024-09-25
