onsemi NCD57001FDWR2G Isolated IGBT Gate Drivers
onsemi NCD57001FDWR2G Isolated High-Current IGBT Gate Drivers are single-channel IGBT drivers with internal galvanic isolation designed for high system efficiency and reliability. This gate driver features complementary inputs, open-drain FAULT and Ready outputs, active Miller clamp, accurate undervoltage lockouts (UVLOs), DESAT protection, and soft turn-off at DESAT. onsemi NCD57001FDWR2G gate drivers accommodate 5V and 3.3V signals on the input side and a wide bias voltage range on the driver side, including negative voltage capability. This gate driver provides >5kVrms (UL1577 rating) galvanic isolation and >1200Viorm (working voltage) capabilities. Typical applications include solar inverters, motor control, uninterruptible power supplies (UPS), industrial power supplies, and welding.Features
- +4/-6A high current output at IGBT Miller Plateau voltages
- Low output impedance for enhanced IGBT driving
- Short propagation delays with accurate matching
- Active Miller clamp to prevent spurious gate turn-on
- DESAT protection with programmable delay
- Negative voltage (down to -9V) capability for DESAT
- Soft turn-off during IGBT short circuit
- IGBT gate clamping during short circuit
- IGBT gate active pull-down
- Tight UVLO thresholds for bias flexibility
- Wide bias voltage range including negative VEE2
- 3.3V to 5V input supply voltage range
- Designed for AEC-Q100 certification
- 5000V galvanic isolation (to meet UL1577 requirements)
- 1200V working voltage (per VDE0884-10 requirements)
- High transient immunity
- High electromagnetic immunity
- Lead-free, halogen-free, and RoHS compliant
Applications
- Solar inverters
- Motor control
- UPS
- Industrial power supplies
- Welding
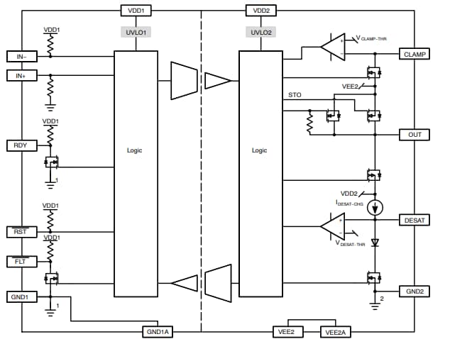
Block Diagram
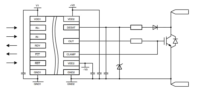
Application Schematic
Additional Resource
Publicado: 2020-06-01
| Actualizado: 2024-06-06
