onsemi NCV8856A Automotive Synchronous Buck Controller
onsemi NCV8856A Automotive Synchronous Buck Controller is an adjustable output device that drives dual N-channel MOSFETs and is ideal for high-power applications. Average current mode control provides speedy transient responses and tight regulation over wide input voltage/output load ranges. The IC incorporates an internal fixed 6.0V low-dropout linear regulator (LDO) that supplies charge to the switch mode power supply’s (SMPS) bottom gate driver, limiting the power lost to excess gate drive. NCV8856A is designed for operation over a 4.5V to 38V input voltage range and can convert ten-to-one voltage at 500kHz. Additional controller features include undervoltage lockout, overvoltage shutdown, internal soft−start, low quiescent current sleep mode, programmable frequency, SYNC function, average current limiting, cycle-by-cycle overcurrent protection, and thermalshutdown.Features
- Average current mode control
- 0.8V ±2% reference voltage
- Wide input voltage range from 4.5V to 38V
- Operates through load dump conditions
- 6.0V low-dropout linear regulator (LDO)
- Input UVLO (undervoltage lockout)
- Internal soft-start
- 6.2µA maximum quiescent current in sleep mode
- Adaptive non-overlap circuitry
- 180ns minimum high-side gate off-time
- 170kHz to 500kHz programmable fixed frequency
- External clock synchronization up to 600kHz
- Average Current Limiting (ACL)
- Cycle-by-Cycle Overcurrent Protection (OCP)
- Thermal Shutdown (TSD)
- Moisture Sensitivity Level (MSL) 1
- TSSOP-20 package
- Lead-free and RoHS compliant
Applications
- Automotive systems requiring high current
- Pre-regulated supplies for low-voltage SMPSs and LDOs
Specifications
- Quiescent currents
- 6.2µA maximum in sleep mode, 4.25µA typical
- 4.24mA maximum for no switching, 3.25mA typical
- 5.30mA maximum for switching with no gate loads, 4.35mA typical
- 1mA to 20mA LDO current range
- +150°C to +210°C thermal shutdown range
- 1°C to 20°C thermal shutdown hysteresis
- 3.9V to 4.5V undervoltage lockout range
- 50mV to 200mV undervoltage lockout hysteresis range
- Switching regulator
- 0.784V to 0.816V reference voltage range
- 110ns to 250ns minimum GH off-time range
- 200ns minimum GH pulse width (maximum), 140ns typical
- Oscillator
- 153kHz to 575kHz switching frequency range
- 0.9V to 1.3V ramp voltage amplitude range
- Voltage error amplifier
- 70dB minimum DC gain, 73dB typical
- 8.0MHz minimum gain bandwidth, 10MHz typical
- 1.3mA to 2mA minimum charge current range, 3mA to 4mA typical
- 1.0µA maximum FB bias current, 0.1µA typical
- Current sense amplifier
- 0V to 10.0V common mode range
- 1V/V typical amplifier gain
- SYNC
- 0.1µA to 20µA pin bias current range
- 0.8V to 2.0V threshold voltage range
- Current error amplifier
- 70dB minimum DC gain, 73dB typical
- 8.0MHz minimum gain bandwidth, 10MHz typical
- 1.3mA to 2mA minimum charge current range, 3mA to 4mA typical
- 1.0µA maximum FB bias current, 0.1µA typical
- 2.7V minimum clamping voltage, 3.3V typical
- Current limit
- 72mV to 133mV average threshold range
- 115mV to 215mV cycle-by-cycle threshold voltage range
- 200ns typical cycle-by-cycle response time
- 20mV minimum cycle-by-cycle/average threshold difference range
- 6.0V LDO
- 5.8V to 6.2V output voltage range
- 220mV maximum dropout voltage
- 30mA to 120mA current limit range
- Gate drivers
- 1A to 2A GH/GL source/sink current range
- 70ns maximum GH-to-GL/GL-to-GH delay time, 40ns typical
- 14ms typical soft-start time
- ENABLE (EN)
- 0.8V to 2.0V input threshold range
- 10µA maximum input current, 3.0µA typical
- 20ms minimum disable time (maximum)
- 1.5kV Human Body Model (HBM) ESD capability
- -40°C to +150°C operating junction temperature range
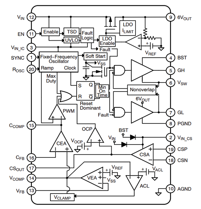
Functional Block Diagram
Application Schematic
Publicado: 2023-08-11
| Actualizado: 2023-08-29
