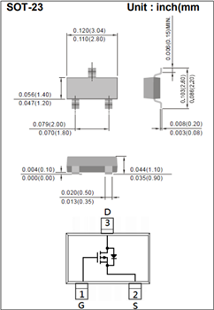
PANJIT 60V P-Channel Enhancement Mode MOSFETs
PANJIT 60V P-Channel Enhancement Mode MOSFETs are designed with advanced trench technology to minimize RDS(ON) while maximizing avalanche ruggedness and space usage while maintaining superior switching performance. The devices feature a 200mA to 16A continuous drain current, a 1.1nC to 22nC gate charge, and 300mW to 50W power dissipation. The MOSFETs include advanced Trench Process technology and are optimized for use as relay drivers and line drivers. With AEC-Q101 qualification options and a high junction temperature of 175°C, the MOSFETs are ideal for automotive design engineers to simplify circuitry while optimizing performances.The PANJIT P-Channel 60V Enhancement Mode MOSFETs can decrease circuit complexity of power design and are provided in SOP-8, SOT-223-3, SOT-23-3, SOT-23-6, SOT-323-3, SOT-563-6, and TO-252AA-3 packages for layout flexibility.
Features
- P-channel enhancement mode logic level
- Low RDS(ON) to minimize conduction losses
- Package with low thermal resistance
- Electrostatic sensitive device (ESD) capable
- 175°C operating junction temperature
Applications
- Advanced Driver Assistance Systems (ADAS)
- Actuator
- Body Control Unit (BCU)
- Battery Management Systems
- Infotainment/instrument
- Cooling fan
- Engine control unit
- LED lighting
- Motor pump
Videos
Publicado: 2022-06-13
| Actualizado: 2025-03-13
