onsemi NCP81535 Eight + One Phase Output Controller

onsemi NCP81535 Eight + One Phase Output Controller is a dual rail, eight plus one phase buck solution optimized for Intel’s IMVP9.2 CPUs. The multi-phase rail control system combines dual-edge pulse-width modulation (PWM) with direct current resistance (DCR) current sensing. This combination provides an ultra-fast initial response to dynamic load events and reduced system cost. The onsemi NCP81535 features an ultra-low offset current monitor amplifier with programmable offset compensation for high-accuracy current monitoring.

Features

  • VIN range of 4.5V to 21V
  • Startup into pre-charged loads while avoiding false OVP
  • Digital soft start ramp
  • Adjustable Vboot
  • High impedance differential output voltage amplifier
  • Dual VID table support to be compatible with IMVP9.2
  • Supports high-current extensions
  • Dynamic reference injection
  • Programmable output voltage slew rates
  • Dynamic VID feed-forward
  • Differential current sense amplifiers for each phase
  • Programmable Adaptive Voltage Positioning (AVP)
  • Adjustable switching frequency range
  • Digitally stabilized switching frequency
  • Ultrasonic operation
  • Supports the acoustic noise mitigation function
  • PSYS input monitor (SVID address 0D)
  • Support for VCCIN_AUX IMON input
  • Meets Intel’s IMVP9.2 specifications
  • Current mode dual edge modulation for fast initial response to transient loading
  • Lead-free device

Applications

  • High-Performance Computing (HPC)
  • Gaming and enthusiast PCs
  • Laptops and ultrabooks
  • Enterprise and data center equipment
  • Embedded systems

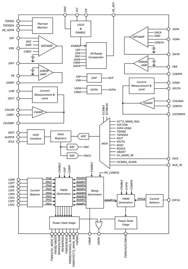
Internal Block Diagram

Block Diagram - onsemi NCP81535 Eight + One Phase Output Controller
Publicado: 2025-05-20 | Actualizado: 2025-06-19