TE Connectivity / Schaffner FN3040/FN3041/FN3042/FN3043 3-Phase EMC Filters
TE Connectivity / Schaffner FN3040 / FN3041 / FN3042 / FN3043 3-Phase EMC Filters are designed for low leakage current applications and provide a leakage current as low as 0.19mA. These high-performance, tight-packaged filters feature a plastic housing and a metal ground plate to achieve the lowest possible weight without compromising EMC behavior. The embedded terminals are user-friendly and offer reliable, long-lasting electrical connections. The fixed, hinged terminal covers guard against unintended contact with life conductors for improved overall safety. TE Connectivity / Schaffner FN3040 / FN3041 / FN3042 / FN3043 3-Phase EMC Filters come in an industry-standard form factor with ecologically conscious construction that does not use potting compounds or banned substances (RoHS). These filters are suitable for grids with tough requirements and for applications in which safety and reliability are crucial. Typical applications include medical devices, industrial automation, electrical and electronic equipment, test and measurement devices, and small machines.Features
- Low-leakage EMC filter with high-performance options
- Improvement of system reliability
- Low leakage current suitable for grids with tough requirements and for applications requiring safety and reliability
- Tight-packaged EMC filter
- Plastic housing combined with metal ground plate achieves lowest possible product weight without compromising EMC behavior
- Industry-standard form factor
- Embedded terminals provide user-friendly handling and reliable, long-lasting electrical connection
- Fixed, hinged terminal covers contribute to overall safety by providing protection against unintended contact with life conductors
- Ecologically conscious construction without use of potting compounds or banned substances (RoHS)
Applications
- Electrical and electronic equipment
- Test and measurement devices
- Medical devices and industrial automation
- Small machines
Performance Indicators
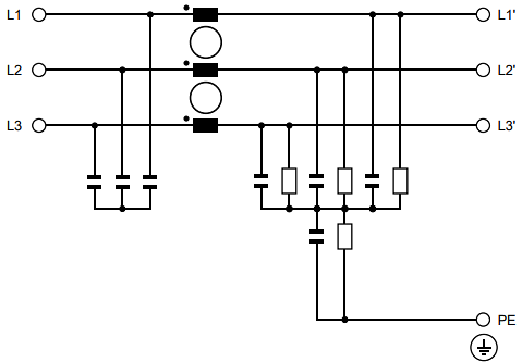
Typical Electrical Schematic
Product Selector
Publicado: 2024-01-23
| Actualizado: 2025-04-22
