ROHM Semiconductor BDxFD0 & BDxFDA Single-Output LDO Regulators

ROHM Semiconductor BDxFD0 and BDxFDA Single-Output Low Voltage Dropout (LDO) Regulators are low saturation devices with 35V voltage resistance. These regulators feature variable and fixed type outputs, 2A output current, and a low ESR capacitor. The BDxFD0 and BDxFDA regulators include a built-in Over-Current Protection (OCP) circuit that prevents the IC from output short circuits. These regulators are available in the HRP5/TO263-5 package and are ideal for general-purpose applications.

Features

  • 2A output current
  • Variable and fixed type outputs
  • Low saturation with PDMOS output
  • Built-in thermal shutdown circuit protects the IC from thermal damage due to overloading
  • Low ESR capacitor
  • Over-Current Protection (OCP) circuit prevents the IC from output short circuits
  • Available in the HRP5/TO263-5 package
  • -40°C to 105°C operating temperature range
  • Ideal for general-purpose applications

Typical Application Circuit Output Voltage Variable Type

Application Circuit Diagram - ROHM Semiconductor BDxFD0 & BDxFDA Single-Output LDO Regulators

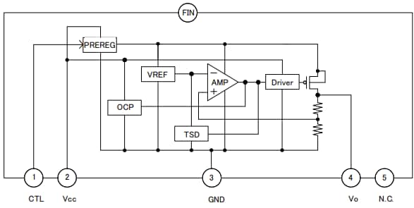
Output Voltage Variable Type Block Diagram

Block Diagram - ROHM Semiconductor BDxFD0 & BDxFDA Single-Output LDO Regulators

Output Voltage Fixation Type Block Diagram

Block Diagram - ROHM Semiconductor BDxFD0 & BDxFDA Single-Output LDO Regulators
View Results ( 15 ) Page
N.º de artículo Hoja de datos Ib - Polarización de entrada de tensión Voltaje de entrada - Máx. Regulación de línea Tensión de interrupción - Máx. Voltaje de interrupción Voltaje de salida Tipo de salida Voltaje de entrada - Mín. Rango de voltaje de salida Voltaje de referencia PSRR / Rechazo de propagación - Típica Temperatura de trabajo mínima Temperatura de trabajo máxima
BDJ2FD0WHFP-TR BDJ2FD0WHFP-TR Hoja de datos 1 mA 32 V 20 mV 550 mV 400 mV 12 V Fixed 50 dB - 40 C + 105 C
BD50FD0WHFP-TR BD50FD0WHFP-TR Hoja de datos 1 mA 32 V 20 mV 550 mV 400 mV 5 V Fixed 55 dB - 40 C + 105 C
BDJ6FD0WHFP-TR BDJ6FD0WHFP-TR Hoja de datos 1 mA 32 V 20 mV 550 mV 400 mV 16 V Fixed 50 dB - 40 C + 105 C
BD15FD0WHFP-TR BD15FD0WHFP-TR Hoja de datos 1 mA 32 V 20 mV 1.5 V Fixed 4 V 55 dB - 40 C + 105 C
BD00FD0WFP2-E2 BD00FD0WFP2-E2 Hoja de datos 1 mA 32 V 20 mV Adjustable 1.5 V to 16 V 750 mV 55 dB - 40 C + 105 C
BD50FD0WFP2-E2 BD50FD0WFP2-E2 Hoja de datos 1 mA 32 V 20 mV 550 mV 400 mV 5 V Fixed 55 dB - 40 C + 105 C
BD00FDAWHFP-TR BD00FDAWHFP-TR Hoja de datos 1 mA 32 V 20 mV 550 mV 400 mV Adjustable 1 V 1.5 V to 30 V 750 mV 55 dB - 40 C + 105 C
BD25FD0WHFP-TR BD25FD0WHFP-TR Hoja de datos 1 mA 32 V 20 mV 2.5 V Fixed 4 V 55 dB - 40 C + 105 C
BD30FD0WHFP-TR BD30FD0WHFP-TR Hoja de datos 1 mA 32 V 20 mV 3 V Fixed 4 V 55 dB - 40 C + 105 C
BD33FD0WHFP-TR BD33FD0WHFP-TR Hoja de datos 1 mA 32 V 20 mV 3.3 V Fixed 55 dB - 40 C + 105 C
Publicado: 2025-05-18 | Actualizado: 2025-06-26