Qorvo CMD316C3 Low Noise Amplifier
Qorvo CMD316C3 Low Noise Amplifier is a broadband monolithic microwave integrated circuit (MMIC) featuring a 6GHz to 20GHz frequency range and housed in a leadless 3mm2 surface mount package. Qorvo CMD316C3 Low Noise Amplifier is ideally suited for communications systems with a small size and low power consumption. The broadband device delivers greater than 20dB of gain with a corresponding output 1dB compression point of +15dBm and a noise figure of 2dB. The CMD316C3 features a 50Ω matched design eliminating the need for external DC blocks and RF port matching.Features
- 6GHz to 20GHz frequency range
- 21dB gain
- 2dB noise figure
- 8dB input return loss
- 12dB output return loss
- 900mW power dissipation
- 15dBm P1dB output
- 25dB IP3 output
- 100mA supply current
- -40°C to +85°C operating temperature range
- 3mm x 3mm QFN package
- Pb-free and RoHS-compliant
Applications
- Electronic warfare (EW)
- Satellite communications (Satcom)
- Test and measurement
- Space
- Phased arrays
- Radar
- C Band
- X Band
- Ku Band
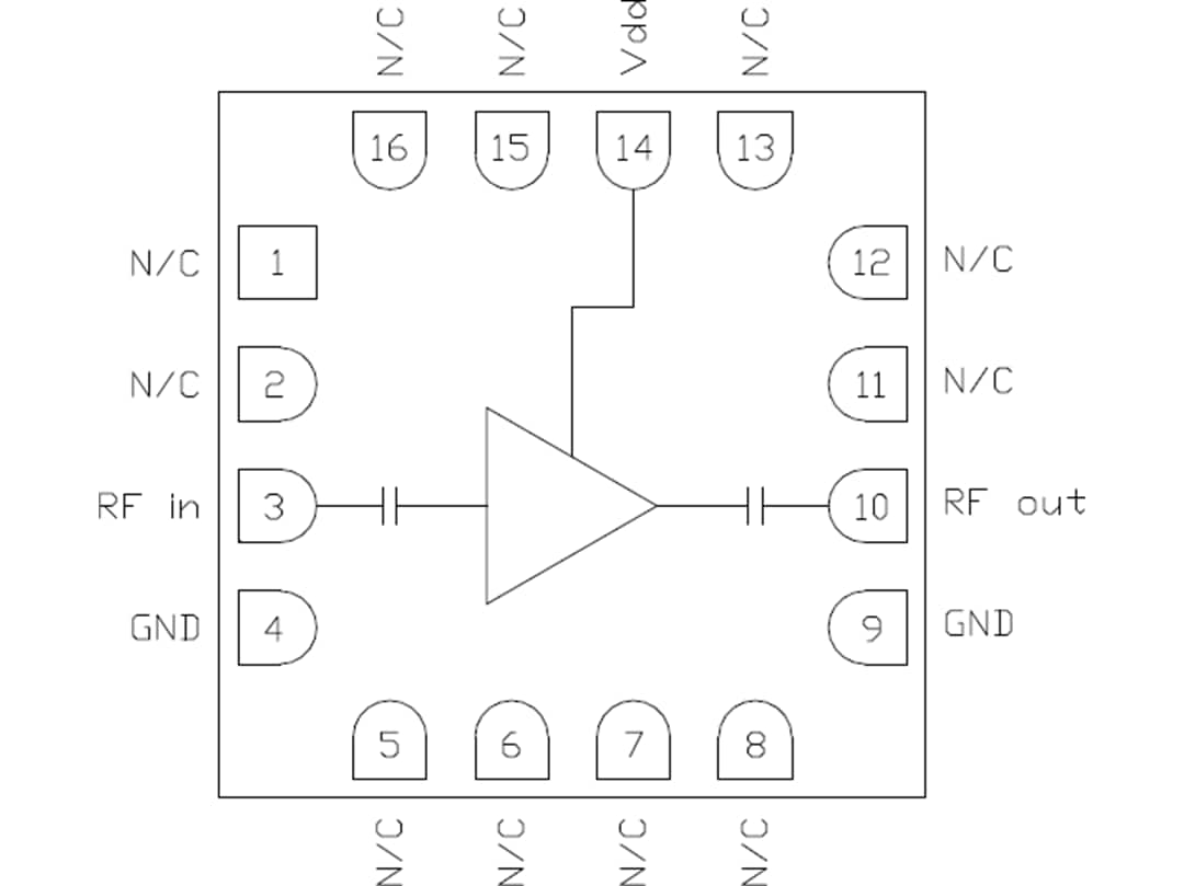
Block Diagram
Package Outline
Publicado: 2020-06-02
| Actualizado: 2024-08-21
