Renesas Electronics RV1S9x6xA Intelligent Power Module (IPM) Drives
Renesas Electronics RV1S9x6xA Intelligent Power Module (IPM) Drives use a small PDD to reduce the dead time for high-precision control applications. The RV1S9x6xA Drives implement high noise rejection, enabling a SiC MOSFET and a high-speed IGBT with lower power switching loss. The Renesas RV1S9x6xA IPM Drives are compatible with equipment downsizing in an LSSOP package that offers 35% smaller mounting space compared to LSO5.Features
- 25ns Max. PDD
- 125°C Max. ambient operating temperature
- Output type
- Active high (RV1S9x61A)
- Active low (RV1S9x62A)
- 100kV/us min. High noise rejection (CMR)
- Package lineup
- SO5 – 4.2mm creepage distance
- LSO5 – 8mm creepage distance
- LSSO5 – 8.2mm creepage distance
Applications
- Motor control for industrial automation
- AC servo
- NC servo
- Robot controller
- Inverter
- Solar inverter
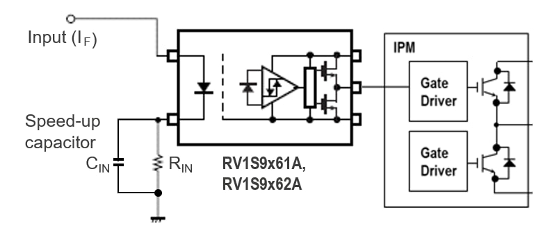
Functional Diagram
Publicado: 2022-06-07
| Actualizado: 2022-07-01
